Find Your Style
Women
Men
Accessories
Search for clothing, brands, styles...
×
Women
Men
Accessories
Arknights Kaltsit Chapter 15
Search
Loading...
No suggestions found
QuotationTracker Standard On-Premise User Pack in INR
spinso.in
19 THB to INR - Convert 19 Thai Baht to Rupee Today
makemytrip.com
SGD TO INR TODAY AND FORECAST
dollarrupee.in
SGD TO INR TODAY AND FORECAST
dollarrupee.in
5621 IDR to INR - Convert 5621 Indonesian Rupiah to Rupee Today
makemytrip.com
SGD TO INR TODAY AND FORECAST
dollarrupee.in
THB TO INR TODAY AND FORECAST
dollarrupee.in
Convert 500 GBP to INR – Live Exchange Rate | Infinity Currency Converter
tools.infinityapp.in
QuotationTracker Standard On-Premise User Pack in INR
spinso.in
Shiba Inu Price Prediction, INR India 16th August 2022: Expected ...
in.mashable.com
Download wallpaper girl, the city, Arknights, Calcite, section games in ...
goodfon.com
Видео обои Arknights Ambience Synesthesia (Аниме) | 1920x1080 FullHD
uiuiui.in
Arknights Beginner Guide 2020: Top 10 Most Useful Tips And Tricks
gurugamer.com
Arknights: Endfield at Gamescom 2025 – Hypergryph’s Next Big Hit
gurugamer.com
Arknights Is A Popular Chinese Tower Defense Game, Going Global Soon
gurugamer.com
Wallpaper girl, nature, tree, fantasy, Arknights, Calcite for mobile ...
goodfon.com
Видео обои Arknights Epoque (Аниме) | 1920x1080 FullHD
uiuiui.in
Steam Workshop::Arknights Rhine Lab
steamcommunity.com
Reflectors and reflective foils | Balluff
balluff.com
OnePlus 15 rumour roundup: India launch, price, specs and more to expect
msn.com
©2021 JR Jewellers
jrbullionllp.in
Sri Ananda
sriananda.in
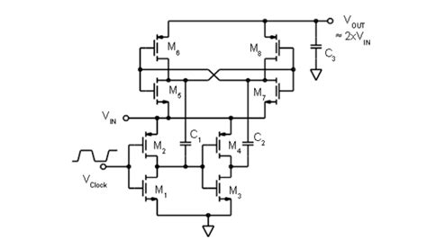
Chapter 15. MOSFET Applications: [Analog Devices Wiki]
wiki.analog.com
Buy Torras Products Online at Best Prices in India | Ubuy
ubuy.co.in
Buy Whitewall Tires Online on Ubuy India at Best Prices
ubuy.co.in
Class 9 Science Chapter 15 Improvement In Food Resources Notes - Amresh ...
amreshacademy.in
safepayex.in
safepayex.in
safepayex.in
safepayex.in
Ch 7&8 Ru M -·,,,,,,,......- CHAPTER 7 .. ... . P RI CI NG STRATEGIES ...
studocu.com
Necklace Sets - Ready to Ship
rudradhan.com
Philips Bikini trimmer 2000 (Essential Series Model BRT383/15) – Kunchals
kunchals.in
What is Right Issue of Shares: Meaning, Examples, Features - Pocketful
pocketful.in
Gulf of Goa Plots - The House of Abhinandan Lodha
luxuryresidences.in
Buy Torras Products Online at Best Prices in India | Ubuy
ubuy.co.in
Buy Torras Products Online at Best Prices in India | Ubuy
ubuy.co.in
Purushottam Yoga or Yoga of the Supreme Being A summary of The Bhagavad ...
artofliving.org
6 Skin Tints That Are Perfect To Carry For Your Next Vacation | Femina.in
femina.in
Kodaikanal Tent Stay
bookingmania.in
Philips Bikini trimmer 2000 (Essential Series Model BRT383/15) – Kunchals
kunchals.in
Class 11 Revision notes statitics - Revision Notes Class 11 Mathematics ...
studocu.com
'Lokah Chapter: 1 Chandra' Day 13 Box Office: Kalyani Priyadarshan film ...
theweek.in
Skin and Hair Care Products Made from Natural Extracts – Skinska
skinska.com
Buy Torras Products Online at Best Prices in India | Ubuy
ubuy.co.in
SATHEE: Chapter 03 Double Century
sathee.iitk.ac.in
NCERT Book Class 7 Science Chapter-15 Light PDF Free Download
manabadi.co.in
Surya Roshni Limited Share Price (SURYAROSNI) - Stock NSE India S.E ...
in.marketscreener.com
Bicornuate Uterus: What It Is and How It Affects Pregnancy
whattoexpect.com
BES0068 (BES M12MI-PSC40B-S04G) Inductive proximity switches and ...
balluff.com
safepayex.in
safepayex.in
OnePlus 15 leaks: India launch timeline, colour option, price range ...
digit.in
FICCI-EY Report 2024: Indian media and entertainment sector grows by 8% ...
campaignindia.in
GST Rate & HSN Code Chapter 15 for Animal Or Vegetable Fats And Oil And ...
cybex.in
Reflectors and reflective foils | Balluff
balluff.com
"god helps those who help themselves ," is passive voice - Brainly.in
brainly.in
Dharmsinh Desai University (DDU), Nadiad: Courses, Fees, Admissions ...
collegesearch.in
OnePlus 13R Specs | OnePlus India
oneplus.in
OnePlus Nord 4 - Scheda Tecnica
tuttoandroid.net
Court Rule File B7GC81N3 - CHAPTER 15 Ch. 15] References to the High ...
studocu.com
Buy DEVICE OF J With JANISH 3 Meter Battery Powered, Fairy Light ...
amazon.in
Coimbatore to Ooty Bus Online Tickets Booking upto Rs 250 OFF | redBus
redbus.in
Warfarin Sodium 129-06-6 | Tokyo Chemical Industry (India) Pvt. Ltd.
tcichemicals.com
Skin and Hair Care Products Made from Natural Extracts – Skinska
skinska.com
NCERT
ncert.nic.in
Understanding Stocks and Shares | DBS Bank
dbs.bank.in
Combo & Kits – Madeinindia Beads
madeinindiabeads.com
Psalm 91:15 :: God's Love Ministries - Today's Promise
godsloveministries.co.in
Buy Ceiling Light Fixtures | City Birds Pendant Lamp | Shop at The ...
thepurpleturtles.com
Fortnite Chapter 6 Season 5: Release Date, Launch Time, and What to Expect
newsd.in
Buy Ceiling Light Fixtures | City Birds Pendant Lamp | Shop at The ...
thepurpleturtles.com
Buy Torras Products Online at Best Prices in India | Ubuy
ubuy.co.in
Chapter 15. MOSFET Applications: [Analog Devices Wiki]
wiki.analog.com
NCERT
ncert.nic.in
Safe Storage®: Self Storage, Storage Services in Bangalore,Pune,Mumbai ...
safestorage.in
Racold Omnis 15 R 2KW G White 15 Litre Storage Water Heater
mahajanelectronics.com
Kotha Lokah: Chapter 1 - Chandra
in.bookmyshow.com
Indian Currency: Security features of banknotes in circulation ...
zeebiz.com
'Lokah Chapter 1: Chandra' four-day weekend collections: Records ...
theweek.in
Amrutam Nari Sondarya Malt
amrutam.co.in
EPFO: Here's how you can transfer your PF from one company to another ...
zeebiz.com
India: Slavery and struggle for freedom : Part 1: Slavery Chapter 15 ...
wallsofignorance.wordpress.com
Surfboards for Sale | Low Prices on Ubuy India
ubuy.co.in
Applying for a bank loan? Know top 5 credit score myths that bank won't ...
zeebiz.com
Chapter 15. MOSFET Applications: [Analog Devices Wiki]
wiki.analog.com
Chapter 15. MOSFET Applications: [Analog Devices Wiki]
wiki.analog.com
Can't understand this ⁉️ Pls make me understand i really can't ...
brainly.in
RBSE Class 5 English Solutions Chapter 6 The Dussehra Festival | Let’s ...
topprs.in
BES0068 (BES M12MI-PSC40B-S04G) Inductive proximity switches and ...
balluff.com
Beardtrimmer series 3000 beard and stubble trimmer QT4006/15 | Philips
philips.co.in
Ebco Pan Hanger Rack
decomart.in
Cemseal Industries Limited
cemseal.net
OnePlus 13, OnePlus 13R launching tomorrow: What to expect?
msn.com
Видео обои Злой взгляд Гоку (Аниме) | 3840x2096 UWQHD
uiuiui.in
Chapter 15. MOSFET Applications: [Analog Devices Wiki]
wiki.analog.com
Buy Torras Products Online at Best Prices in India | Ubuy
ubuy.co.in
Buy Torras Products Online at Best Prices in India | Ubuy
ubuy.co.in
kasarabada.org
kasarabada.org
Chapter 15. MOSFET Applications: [Analog Devices Wiki]
wiki.analog.com
Chuskit Goes To School: Chapter Explanation Video Lecture - EVS for Class 4
edurev.in
OnePlus 13 Specs | OnePlus India
oneplus.in
OnePlus 15 To Feature Snapdragon 8 Elite Gen 5 SoC, May Launch In November
freepressjournal.in
SSLC - Social science I - Chapter 2 - Liberty Equality Fraternity ...
biovisions.in
ICMR - National Institute of Nutrition, India
nin.res.in
Kesari Chapter 2: The Untold Story of Jallianwala Bagh Movie (2025 ...
digit.in
ICMR - National Institute of Nutrition, India
nin.res.in
Buy Ceiling Light Fixtures | City Birds Pendant Lamp | Shop at The ...
thepurpleturtles.com
Safe Storage®: Self Storage, Storage Services in Bangalore,Pune,Mumbai ...
safestorage.in
NEW CHAPTER
newchapter.thebase.in
Chapter 15. MOSFET Applications: [Analog Devices Wiki]
wiki.analog.com
Buy New Chapter Calcium Supplement– Bone Strength Organic Plant Calcium ...
ubuy.co.in
Chapter 15. MOSFET Applications: [Analog Devices Wiki]
wiki.analog.com
NCERT CLASS- 10 ECONOMICS (English Medium) Buy Online
prakashsales.in
Beed District Tourism (2024): All You Need to Know Before You Go
tripadvisor.in
Buy Authentic Indian Contemporary Art and Modern Paintings in India
jiaurrahman.com
Coffee Nirvana, South Indian Filter Coffee, Box of 10, Nespresso ...
mystore.in
Trust Athiya Shetty to pair her standout wine lip and structured bun ...
vogue.in
Nanguneri Pictures - Traveller Photos of Nanguneri, Tirunelveli ...
tripadvisor.in
Search
notnul.com
Buy Authentic Indian Contemporary Art and Modern Paintings in India
jiaurrahman.com
RBX to INR: Convert RBX (RBX) to Indian Rupee (INR) | Coinbase India ...
coinbase.com
Who is Sanjay Dutt’s Best Friend Kamli (Vicky Kaushal) in Sanju movie ...
gqindia.com
Related Searches
Arknights Chapter 15
Mon3tr Arknights
Arknights Kaltsit Wallpaper
Mlynar Arknights
Arknights Doctor Wallpaper
Penance Arknights
Arknights Kaltsit Original Art
Spot Arknights
Blemishine Arknights
Arknights Doctor Meme
Theresa Arknights
Mont3r Ark Night
Arknights Mon3ter
Kaltsit Endfield
Arknights Kaltsit Vaporized
Arknights Rosmontis
Kaltsit Arknights Monster
Arknights Kal'tsit
Kal Sit Arknights
Arknights Chapter 15 Lobby
Arknights Theresa Death
Exusisai Ark Night
Screw Arknights
Arknights Kaltsit Tail
Arknights Ace
Arknights Priestess Chapter 15
Arknights Exusiai Alter
Arknights Kaltsit in a Bunny Suit
Arknights Doctor X Blaze
Kaltsit Arknights Concept Art
Kaltsit Arknights Meion Art
Arknights Chapter 15 Menu
Arknights Game Cover
Kaltsit Arknights EP
Femakle Doctor Arknights
Arknights W Meme
Arknights Doctor Fan Art
Arknights Wallpaper 4K
Kaltsit Arknights Books
Ark Night Theresis Art
Arknights Kaltsit Smiling
Arknights Kaltsit HD Wallpaper
Arknights Card Kaltsit
Arknights Mon3tr Crystal
Warfarin Arknights
Kaltsit Neco Arc
Arknights Chibi Comic
Arknights Monst3r Chapter 15
Kaltsit Arknights Character Sheet
Kalsit
Search
×
Search
Loading...
No suggestions found