Find Your Style
Women
Men
Accessories
Search for clothing, brands, styles...
×
Women
Men
Accessories
Cen Rf Repeaters
Search
Loading...
No suggestions found
RF - 4 STEP CORNER STAND Products at price INR 0 in Madurai | AK Furniture
akfurn.in
RF - 4 STEP CORNER STAND Products at price INR 0 in Madurai | AK Furniture
akfurn.in
KGM-RF-15 Products at price INR 0 in Kishangarh | KGM Stone
kgmstone.in
RF Accessories | Tehayu
tehayu.com
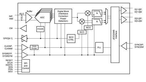
ADC31RF80 Wideband Receiver & Feedback ICs - TI | Mouser
mouser.in
GBSSS - Govt. Boys Sr. Sec. School Khajoori Khas Delhi -90: Repeater ...
gbsss.in
RF Accessories | Tehayu
tehayu.com
RF over Fiber Solutions - GPS Repeater Technologies Inc.
gps-repeater.co.in
What is RF | Radio frequency technologies | Rohde & Schwarz
rohde-schwarz.com
RF over Fiber Solutions - GPS Repeater Technologies Inc.
gps-repeater.co.in
Buy IntesetInfrared(IR) Wireless Pro, Long Range, Ten Channel, Bi ...
desertcart.in
Railway Audio Frequency Track Circuits - Railway Signalling Concepts
railwaysignallingconcepts.in
RF Wireless Technology | Mouser
mouser.in
Buy Inteset Infrared(IR) Wireless Pro, Long Range, Ten Channel, Bi ...
desertcart.in
Ubervia® Low Noise Amplifier RF Amplifier Radio Amplifier NF=0.6dB LNA ...
amazon.in
Sales-as-a-Service Provider to Telecom OEMs and Solution Providers | Tehayu
tehayu.com
M60ir Rf Modulator With Ir Repeater Av To Rf Converter | Desertcart INDIA
desertcart.in
Buy Nextgen IR Repeater for TV Remote & Streaming - Up to 100 Ft Range ...
desertcart.in
L1/L2 GPS Repeater Assembly (GPSRKL12) - GPS/GNSS Repeaters | GPS/GNSS ...
neuvin.co.in
Amazon.in Bestsellers: The most popular items in Repeaters & Extenders
amazon.in
Class C Amplifier - Construction, Advantages, Disadvantages, Applications
ece.poriyaan.in
METRO GNSS "Smart" Amplifier Kit - GPS/GNSS Repeaters | GPS/GNSS ...
neuvin.co.in
METRO "Smart" Amplifier Kit - GPS/GNSS Repeaters | GPS/GNSS Repeater ...
neuvin.co.in
Buy Fumei Different Frequency Combiner DX72 Repeater Duplexer HF/VHF 1. ...
desertcart.in
Fumei VHF 136-174MHz 30W Duplexer for Radio Repeater with Pre-Tuned Low ...
amazon.in
GPS/GNSS Repeater Solutions | Indoor GPS/GNSS Solutions | Military ...
neuvin.co.in
Buy BTECH GMRS-V2 5W 200 Fully Customizable Channels GMRS Two-Way Radio ...
desertcart.in
METRO GNSS "Smart" Amplifier Kit - GPS/GNSS Repeaters | GPS/GNSS ...
neuvin.co.in
D3D Wireless RF Repeater for ZX-G12 and D10 Home Security Alarm System ...
amazon.in
Ancable 2 Pack Sma Male To N Type Female Antenna | Desertcart INDIA
desertcart.in
Buy RF SIGNAL RP SMA to SMA Adapter RF Coax Connector RP-SMA Female to ...
amazon.in
Repeater Stations - KENWOOD NX 1200DM3 WALKIE TALKIE RADIO Manufacturer ...
antrikshtechnosys.in
Repeater Panel - Repeater Station, Back-to-Back Radio Trader ...
electrosonictech.in
Repeater Stations - KENWOOD NX 1200DM3 WALKIE TALKIE RADIO Manufacturer ...
antrikshtechnosys.in
Motorola Repeater - Motorola Radio Repeaters Distributor / Channel ...
micromap.co.in
Repeater Stations - KENWOOD NX 1200DM3 WALKIE TALKIE RADIO Manufacturer ...
antrikshtechnosys.in
Buy HYS Yagi Antenna with 3 Elements, UHF 400-470Mhz Outdoor Roof ...
desertcart.in
Buy MUCHENG ZI Start Switch RF-02 Wireless Microphone Parts MP3 ...
desertcart.in
Motorola Repeater - Motorola Radio Repeaters Distributor / Channel ...
micromap.co.in
GLI Hangar Repeater Kit - GPS/GNSS Repeaters | GPS/GNSS Repeater ...
neuvin.co.in
Top 60 Egypt Tour Packages From India
egypttoursportal.com
Nurokind Gold Rf Capsule: Uses, Side Effects, Price & Substitutes
truemeds.in
Nilight - TL-27 2PCS 4FT Spiral RGB Led Whip Light with Spring Base ...
desertcart.in
Rpt 2k Relay Walkie Talkie K Head Two Way Radio | Desertcart INDIA
desertcart.in
Our Products - Microsoft Computer
miorosoft.co.in
Buy TengKo TengKo RF Coaxial Coax Adapter N Male to UHF female SO-239 ...
desertcart.in
METRO "Smart" Amplifier Kit - GPS/GNSS Repeaters | GPS/GNSS Repeater ...
neuvin.co.in
Alarm System - Panic Button Alarm - Wireless Manufacturer from Chennai
greevissolutions.in
Buy UHF VHF Antenna Cable - MILSPEC RG-213 for Ham and CB Radio 80 foot ...
desertcart.in
REYAX RYLR896 Lora Module SX1276 UART 868MHz 915MHz Antenna at Command ...
amazon.in
GPS/GNSS Splitters | GPS/GNSS Repeater Solutions | Indoor GPS & GNSS ...
neuvin.co.in
L1/L2 GLONASS Repeater Assembly (GPSRKL12G) - GPS/GNSS Repeaters | GPS ...
neuvin.co.in
RAILWAY HVI AND AUDIO FREQUENCY TRACK CIRCUITS - Railway Signalling ...
railwaysignallingconcepts.in
Digisol 300 Mbps Wireless Repeater - Digisol : Flipkart.com
flipkart.com
L1/L2 GLONASS Repeater Assembly (GPSRKL12G) - GPS/GNSS Repeaters | GPS ...
neuvin.co.in
Radix Electrosystems
radix.co.in
METRO GNSS "Smart" Amplifier Kit - GPS/GNSS Repeaters | GPS/GNSS ...
neuvin.co.in
L1/L2 GLONASS Repeater Assembly (GPSRKL12G) - GPS/GNSS Repeaters | GPS ...
neuvin.co.in
Coded Track Circuits | D.C. Coded Track Circuits - Railway Signalling ...
railwaysignallingconcepts.in
Zion-Tech India
ziontechindia.in
Mobile Signal Booster in Navi Mumbai | 2G 3G 4G Airtel Vodafone Idea ...
mobilesignalboosters.in
Goa: Repeaters in Class X, XII can improve marks | Goa News - Times of ...
timesofindia.indiatimes.com
CAT Repeaters Strategy 2025, Section-wise Plan For Repeaters
cracku.in
Shyam Telecom Limited Reports Earnings Results for the Fourth Quarter ...
in.marketscreener.com
Buy FM Transmitter Kit RF-02 Wireless Microphone Parts MP3 Repeater ...
desertcart.in
Muvit® WiFi Extender Signal Booster,2.4GHz 300Mbps WiFi Booster and ...
amazon.in
All NEET Repeaters —Let's Make It Big this time
prepmed.in
Buy Nilight 2PCS 3FT Spiral RGB Led Whip Light w/ RGB Chasing/Dancing ...
desertcart.in
Call Bell System - Villa Long Range Wireless Call Bell System ...
greevissolutions.in
Emergency Call Bell - GreeVis Wireless Emergency Call System (Custom ...
greevissolutions.in
WiFi Antenna Extension Cable SMA Male to SMA Female RF Connector ...
amazon.in
433 MHZ RF MODULES TX & RX PAIR Sensor
flyrobo.in
Buy NilightTL-27 2PCS 4FT Spiral RGB Led Whip Light with Spring Base ...
desertcart.in
Wifi Repeater - Buy Wi-Fi Extender Online at Ausha – AUSHA
ausha.co.in
Mi 4A Dualband Gigabit upto 1200Mbps speed Router| 2.4GHz & 5GHz ...
amazon.in
Wavlink N300 Outdoor Wifi Extender Outdoor Cpe For Ptp And Ptmp ...
desertcart.in
Buy QIACHIPWL101 Superheterodyne Receiver and WL102 Transmitter kit ...
desertcart.in
Si538 JESD204B Clock Generators - Skyworks Solutions Inc. | Mouser
mouser.in
ALLEN Dominates NEET-UG 2024! Meet the All India Toppers (AIR)
allen.ac.in
Scholarship Test for NEET Aspirants (Class 11, 12 & Repeaters)
prepmed.in
Amazon.in Bestsellers: The most popular items in Mobile Phone Signal ...
amazon.in
Buy LVFEIER Mens/Womens Brain Jacket | RF Shield Cap-RF Tower-Battery ...
desertcart.in
Petition · Kcet 2022 Justice for repeaters, ranking issues, repeaters ...
change.org
Magnetron Sputtering System Facility
iitk.ac.in
Router security - 7 tips to get the most out of your home Wi-Fi | The ...
economictimes.indiatimes.com
Wireless Nurse Calling System - Wireless Nurse Call Bell System ...
greevissolutions.in
Buy NINGALA ENTERPRISE 300-Watt Dry Spice Masala and Coffee Bean ...
amazon.in
Network Cable Types And Specifications, 53% OFF | elevate.in
elevate.in
Technical Research Centre (TRC)
bose.res.in
Trader - Wholesaler / Distributor of ANALOG WALKIE TALKIE by P.Com ...
pcomsolutions.in
Call Bell System - Villa Long Range Wireless Call Bell System ...
greevissolutions.in
What are the redundancy features of a Digital Repeater? - Blog - LZE ...
lze-tech.com
Raised Face Flanges, Rf Flange, Stainless Steel Raised Face Flange
skylandmetal.in
qLabs PT/INR/APTT Hand-Held ElectroMeter Plus : Amazon.in: Industrial ...
amazon.in
Twayrdio Foldable Vhf Uhf Yagi Antenna Dual Band 2m 70cm | Desertcart INDIA
desertcart.in
Shyam Telecom Share Price Today - Shyam Telecom Ltd Stock Price Live ...
groww.in
TP-LINK TL-WA830RE 300 Mbps Wireless N Range Extender - TP-Link ...
flipkart.com
Wireless Nurse Calling System - Wireless Nurse Call Bell System ...
greevissolutions.in
Understanding Diabetes: Your Guide to Radio Frequency Identification ...
tap.health
Shyam Group
shyam.co.in
Karnataka II PUC Exam : How Can There Be Different Yardsticks For ...
livelaw.in
LNA 50-4000MHz SPF5189 RF Amplifier Signal Receiver High Gain Low Noise ...
amazon.in
RAM ENTERPRISE RF_WATER DISPENSER Bottom Loading Water Dispenser Price ...
flipkart.com
Smart Textiles in Building and Living Applications: WG4 CONTEXT Insight ...
mdpi.com
Circuit Breaker - Siemens Control Relay Trader - Wholesaler ...
kochiglobal.in
Shyam Group
shyam.co.in
Amazon.in: Buy TP-Link AC750 Mbps Wireless Portable Mini Travel Router ...
amazon.in
ADALM-PLUTO Transmit [Analog Devices Wiki]
wiki.analog.com
Scheme It | Typical LVPECL Output Termination | DigiKey
digikey.in
ANSI B16.5 Class 150 flange dimensions in mm | 150# SORF/ BLRF flange
fastenersonline.co.in
INUP | Nanoelectronics | SAW Resonators
inup.cense.iisc.ac.in
Spojená škola Kráľovnej pokoja
sskp.edupage.org
NULKA DECOY SYSTEM | Defence Matrix
thedefencematrix.in
Advantages and disadvantages of Repeater - Advantages and disadvantages ...
studocu.com
Buy RF Power Meter LCD RF Power Meter RF Power Measurement Radio ...
desertcart.in
Wireless Nurse Calling System - Wireless Nurse Call Bell System ...
greevissolutions.in
Circuit Breaker - Siemens Control Relay Trader - Wholesaler ...
kochiglobal.in
A new spin on MRI may allow for new medical diagnostics
medicaldialogues.in
GUS: ceny usług telekomunikacyjnych w 2022 r. wzrosły o 5,2 proc ...
telko.in
Related Searches
Small RF Repeaters
RF Linking Repeaters
RF Repeaters Circuits
Search
×
Search
Loading...
No suggestions found