Find Your Style
Women
Men
Accessories
Search for clothing, brands, styles...
×
Women
Men
Accessories
Contoh Skema Penelitian Kualitatif
Search
Loading...
No suggestions found
Jual Buku Metode Penelitian Kuantitatif, Kualitatif, dan R&D Tahun 2022 ...
tokopedia.com
contoh sk mpls smp 2022 | Enjoy a ₹600 Sign-Up Reward Now Android IOS V ...
meeting.lsgkerala.gov.in
Hospital Management Software | Billing Prints | Formats
softcure.in
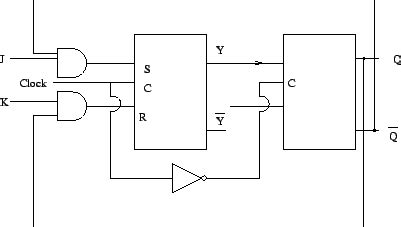
Master Slave Flip-Flop (S-R)
archive.nptel.ac.in
Работайте с цветом как профессионал — Teletype
teletype.in
contoh gambar id card mpls Android IOS V- 7.76
meeting.lsgkerala.gov.in
Buy La bible tremplin passerelle skema: Réussir les concours d'entrée ...
desertcart.in
contoh banner mpls sd 2024 | Claim ₹700 for Secure Transactions Android ...
meeting.lsgkerala.gov.in
Skema Box Parathel 18 Inch | nkbuildcon.com
nkbuildcon.com
Top five best-selling cars in February 2024 - Overdrive
overdrive.in
contoh id card mpls sd | Claim an Easy ₹100 Bonus Now! Android IOS V- 1.21
welfarepension.lsgkerala.gov.in
Radio Gold Instrumental ao vivo | Florianópolis
radios-brasil.com
Invoice Format Templates | Customize, Print & Email - Refrens
refrens.com
Free GST Invoice Generator | Free Invoice Maker | Zoho Invoice
zoho.com
CONTOH SEDERHANA GUGATAN BALIK (GUGATAN REKONVENSI) DALAM PERKARA ...
jasahukumbali.com
Review Trường kinh doanh SKEMA (SKEMA), Lille, Pháp : Điểm tiếp sức cho ...
reviewduhoc.com
Top 10 Office Stationery Essentials For A Productive Workspace
prakashsales.in
US Military To Deploy Navy Ships, USS Gerald R Ford Closer To Israel To ...
timesnownews.com
2023 Honda Civic Type R unveiled as the most powerful model in 30 years ...
overdrive.in
Hero Honda Karizma R - JungleKey.in Image
junglekey.in
Working at SKEMA Business School | Glassdoor
glassdoor.co.in
Skema Fero Solid Wood Coffee Table Price in India - Buy Skema Fero ...
flipkart.com
Related Searches
Contoh Skripsi Penelitian Kualitatif
Contoh Pendekatan Penelitian Kualitatif
Contoh Laporan Penelitian Kualitatif
Contoh Metode Penelitian Kualitatif
Contoh Rancangan Penelitian Kualitatif
Contoh Desain Penelitian Kualitatif
Contoh Judul Penelitian Kualitatif
Contoh Proposal Penelitian Kualitatif
Contoh Artikel Kualitatif
Contoh Piramida Penelitian Kualitatif
Contoh Rencana Penelitian Kualitatif
Contoh Topik Penelitian Kualitatif
Contoh Angket Penelitian Kualitatif
Contoh Jurnal Penelitian Kualitatif
Contoh Paper Penelitian Kualitatif
Contoh Sampel Penelitian Kualitatif
Contoh Penelitian Deskriptif Kualitatif
Contoh Penelitian Lengkap Kualitatif
Contoh Tesis Kuantitatif
Contoh Proposal Penelitian Kualitatif PDF
Contoh Model Penelitian Kualitatif
Contoh Objek Penelitian Kualitatif
Contoh Makalah Kualitatif
Contoh Cover Proposal
Contoh Subjek Penelitian Kualitatif
Contoh Konsep Penelitian Kualitatif
Contoh Jenis Penelitian Kualitatif
Contoh Skripsi Pai Kualitatif
Contoh Halaman Penelitian Kualitatif
Contoh Kerangka Penelitian
Template Penelitian Kualitatif
Contoh Bentuk De Sain Penelitian Kualitatif
Contoh Etnografi
Contoh Kuesioner Kepuasan Pelanggan
Contoh Kerangka Pemikiran
Contoh Pengamatan Kualitatif
Display Kualitatif Contoh
Contoh Mini Proposal Penelitian Kualitatif
Contoh Penelitian Proyek Riset Kualitatif
Contoh Metode Penelitian Karya Ilmiah
Contoh Baga Metode Penelitian Kualitatif
Contoh Kalimat Metode Penelitian Kualitatif
Contoh Proposal Penelitian Kualitatif Litapdimas Kemenag
Contoh Abstrak Skripsi
Contoh Paper Panduan Pertanyaan Penelitian Kualitatif
Contoh Metodologi Penelitian Karya Ilmiah
Contoh Penulisan De Sain Penelitian Kualitatif
Contoh Kerangka Berpikir
Contoh Judul Penelitian Kualitatif Teologia
Contoh Luaran Penelitian
Search
×
Search
Loading...
No suggestions found