Find Your Style
Women
Men
Accessories
Search for clothing, brands, styles...
×
Women
Men
Accessories
Diagram Tik Tok Terhadap Perilaku Konsumtif
Search
Loading...
No suggestions found
UML Zustandsdiagramme-Kostenlose Beispiele
edrawsoft.com
Tik Tok
in.bookmyshow.com
Lockdown Impact On PCOS Cases In India | Femina.in
femina.in
Marlin: X-Band Low Power Digital Beamforming Virtual Reference Design ...
wiki.analog.com
AD-PQMON-SL: Power Quality Analyzer [Analog Devices Wiki]
wiki.analog.com
AD-GMSL522-SL: GMSL Carrier Board [Analog Devices Wiki]
wiki.analog.com
ADSW-OFDMS2M HDL Reference Modem [Analog Devices Wiki]
wiki.analog.com
Modified FXLMS(ADAU145x) [Analog Devices Wiki]
wiki.analog.com
Using ADE9178 for EV Charger Metrology Solution [Analog Devices Wiki]
wiki.analog.com
ADRV904x Block Diagram [Analog Devices Wiki]
wiki.analog.com
PicoZed Power and Sequencing [Analog Devices Wiki]
wiki.analog.com
CN-0354 Software User Guide [Analog Devices Wiki]
wiki.analog.com
Write the advantage of flowchart? - Brainly.in
brainly.in
EVAL-CN0565-ARDZ User Guide [Analog Devices Wiki]
wiki.analog.com
AXI_ADC_TRIGGER [Analog Devices Wiki]
wiki.analog.com
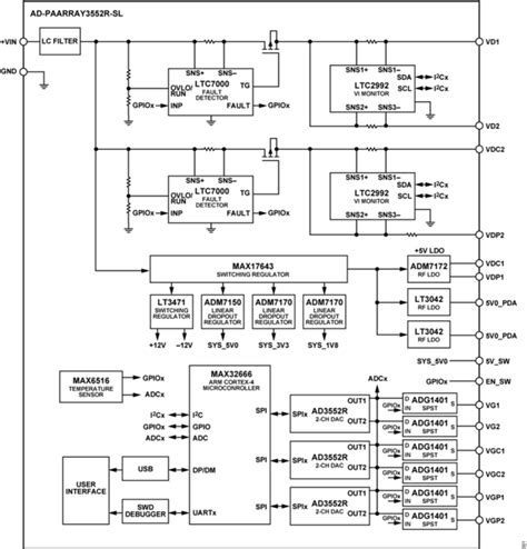
AD-PAARRAY3552R-SL Overview [Analog Devices Wiki]
wiki.analog.com
Editable Shapes Carroll and Venn Diagram Worksheets - Twinkl
twinkl.co.in
Hardware [Analog Devices Wiki]
wiki.analog.com
Receiver Front End Overview & Theory Of Operation [Analog Devices Wiki]
wiki.analog.com
EVAL-ADMX2001 LCR Meter Demo/Evaluation Setup [Analog Devices Wiki]
wiki.analog.com
Receiver Front End Overview & Theory Of Operation [Analog Devices Wiki]
wiki.analog.com
पृथ्वी की आतंरिक संरचना (The Internal Structure of the Earth) - सुगम ज्ञान
sugamgyan.com
प्रतिरूपण, जीएमओ, थ्री पेरेंट बेबी (Cloning, GMO, Three Parent Baby)
hindiarise.com
AD916x-FMCx-EBZ Evaluation Board User Guide [Analog Devices Wiki]
wiki.analog.com
aplikasi-Tik-tok-tiktok-video-musik-1
arenalte.com
AD-PZSDR2400TDD-EB Functional Overview [Analog Devices Wiki]
wiki.analog.com
LTspice User Guide – Power Op Amp Thermal Model [Analog Devices Wiki]
wiki.analog.com
ADRV9361-Z7035 User Guide - Introduction [Analog Devices Wiki]
wiki.analog.com
MAX32670-SX-ARDZ: Long Range Wireless Radio Development Platform ...
wiki.analog.com
PicoZed Power and Sequencing [Analog Devices Wiki]
wiki.analog.com
AD-GMSL2ETH-SL User Guide [Analog Devices Wiki]
wiki.analog.com
ADRV9361-Z7035 User Guide - Electrical Specifications [Analog Devices Wiki]
wiki.analog.com
EVAL-CN0565-ARDZ User Guide [Analog Devices Wiki]
wiki.analog.com
MikroTik L009 8x Gbit Ethernet 1x 2.5Gbit SFP Router
electroon.com
EVAL-CN0561-ARDZ User Guide [Analog Devices Wiki]
wiki.analog.com
EVAL-CN0581-EBZ User Guide [Analog Devices Wiki]
wiki.analog.com
mmW FR2 Reference Design for Wireless Test [Analog Devices Wiki]
wiki.analog.com
Using ADE9178 for EV Charger Metrology Solution [Analog Devices Wiki]
wiki.analog.com
EVAL-ADBMS6822 User Guide [Analog Devices Wiki]
wiki.analog.com
Hardware [Analog Devices Wiki]
wiki.analog.com
AXI_AD7768 [Analog Devices Wiki]
wiki.analog.com
EVAL-CN0575-RPIZ User Guide [Analog Devices Wiki]
wiki.analog.com
LTspice User Guide – ADHV4710 Model [Analog Devices Wiki]
wiki.analog.com
Tik Tok Nude Girls Entire Content Archive #705
superadmin.kalaignarcentenarylibrary.tn.gov.in
EVAL-CN0579-ARDZ User Guide [Analog Devices Wiki]
wiki.analog.com
Calibration Board [Analog Devices Wiki]
wiki.analog.com
Portable Radio Reference Design - Features [Analog Devices Wiki]
wiki.analog.com
ADRV9029 DPD System Overview [Analog Devices Wiki]
wiki.analog.com
Marlin: X-Band Low Power Digital Beamforming Virtual Reference Design ...
wiki.analog.com
AXI_AD777x [Analog Devices Wiki]
wiki.analog.com
Satcom Phased Array Reference Design [Analog Devices Wiki]
wiki.analog.com
Power Amplifier (PA) Array Controller User Guide [Analog Devices Wiki]
wiki.analog.com
AD-GMSL-D-E-ADP# User Guide [Analog Devices Wiki]
wiki.analog.com
EVAL-CN0554-RPIZ Hardware User Guide [Analog Devices Wiki]
wiki.analog.com
AD4131-8 Evaluation Board User Guide [Analog Devices Wiki]
wiki.analog.com
Comprehensive Analysis of Stomata Structure and Function in Plants 2025
collegesearch.in
Tiktok - Free Coloring Pages
printablecoloringpages.in
AXI_ADAQ8092 [Analog Devices Wiki]
wiki.analog.com
Sigma Delta ADC Temperature-BLE Demo [Analog Devices Wiki]
wiki.analog.com
ADMV96S-WGBE-EK1 Hardware User Guide [Analog Devices Wiki]
wiki.analog.com
EVAL-CN0415-ARDZ Shield [Analog Devices Wiki]
wiki.analog.com
CN0584 User Guide [Analog Devices Wiki]
wiki.analog.com
AD-GMSL717MIPI-EVK [Analog Devices Wiki]
wiki.analog.com
Marlin: X-Band Low Power Digital Beamforming Virtual Reference Design ...
wiki.analog.com
AD-SWIOT1L-SL User Guide [Analog Devices Wiki]
wiki.analog.com
AD-BMSE2E3W-SL User Guide [Analog Devices Wiki]
wiki.analog.com
Theory Of Operation [Analog Devices Wiki]
wiki.analog.com
CN0590 User Guide [Analog Devices Wiki]
wiki.analog.com
EVAL-AD7175-8ARDZ User Guide [Analog Devices Wiki]
wiki.analog.com
AD-GMSL716MIPI-EVK [Analog Devices Wiki]
wiki.analog.com
CN0588 User Guide [Analog Devices Wiki]
wiki.analog.com
Tik Tok Coloring Pages - Free Coloring Pages
printablecoloringpages.in
Fun things to do during a layover at Delhi airport | Times of India Travel
timesofindia.indiatimes.com
Transmitter Front End Overview & Theory Of Operation [Analog Devices Wiki]
wiki.analog.com
EVAL-CN0571-EBZ User Guide [Analog Devices Wiki]
wiki.analog.com
EV-STRUCTURAL-ARDZ Sensor for Structural Monitoring [Analog Devices Wiki]
wiki.analog.com
Quad-MxFE Quick Start Guide [Analog Devices Wiki]
wiki.analog.com
Deco X50-Outdoor | AX3000 Outdoor / Indoor Whole Home Mesh WiFi 6 Unit ...
tp-link.com
Ivan Pavlov
specialeducationnotes.co.in
EVAL-ISOMAX User Guide [Analog Devices Wiki]
wiki.analog.com
Quad-MxFE Prototyping Platform User Guide [Analog Devices Wiki]
wiki.analog.com
AD4129-8 Evaluation Board User Guide [Analog Devices Wiki]
wiki.analog.com
AD74115H Immunity Performance [Analog Devices Wiki]
wiki.analog.com
Buy TIK Tok Happy Birthday Cake Topper,TIK Tok Party Supplies, TIK Tok ...
desertcart.in
**Quick Start Guide for Initial Bring-Up of the AD9213-Dual-EBZ ADC ...
wiki.analog.com
AD74115H Surge Test Results [Analog Devices Wiki]
wiki.analog.com
EVAL-CN0556-EBZ User Guide [Analog Devices Wiki]
wiki.analog.com
EV-FLOWMETER-ARDZ Sensor for Flow Rate Metering [Analog Devices Wiki]
wiki.analog.com
AD-BMSE2E3W-SL User Guide [Analog Devices Wiki]
wiki.analog.com
EVAL-AD7173-8ARDZ User Guide [Analog Devices Wiki]
wiki.analog.com
Raspberry Pi User Guide [Analog Devices Wiki]
wiki.analog.com
EVAL-CN0554-RPIZ Hardware User Guide [Analog Devices Wiki]
wiki.analog.com
AD-MAX32SXWISE-SL: Long Range Wireless Radio Development Kit based on ...
wiki.analog.com
EVAL-CN0415-ARDZ Shield [Analog Devices Wiki]
wiki.analog.com
EVAL-CN0548-ARDZ Shield Overview [Analog Devices Wiki]
wiki.analog.com
AD-APARD32690-SL User Guide [Analog Devices Wiki]
wiki.analog.com
ezLINX™ iCoupler® Isolated Interface Development Environment [Analog ...
wiki.analog.com
SHARC Audio Module(Revision 1.4) [Analog Devices Wiki]
wiki.analog.com
Building Diagrams [Analog Devices Wiki]
wiki.analog.com
EVAL-CN0536-ARDZ Shield Overview [Analog Devices Wiki]
wiki.analog.com
SHARC Audio Module(Revision 1.5) [Analog Devices Wiki]
wiki.analog.com
Building Diagrams [Analog Devices Wiki]
wiki.analog.com
12 Famous Festivals Of Ladakh In 2025
traveltriangle.com
EVAL-ADPD410X-ARDZ Turbidity Measurement Demo [Analog Devices Wiki]
wiki.analog.com
EVAL-ADICUP3029 Base Board [Analog Devices Wiki]
wiki.analog.com
CN0385 Evaluation Board and Software User Guide [Analog Devices Wiki]
wiki.analog.com
BeMicro FPGA Project for AD7988-5 with Nios driver [Analog Devices Wiki]
wiki.analog.com
Pentingnya Kelekatan (Attachment) Antara Anak & Orang Tua
dfunstation.com
Search
×
Search
Loading...
No suggestions found