Find Your Style
Women
Men
Accessories
Search for clothing, brands, styles...
×
Women
Men
Accessories
Digikey Ev600hsanm
Search
Loading...
No suggestions found
UP earmarks INR 400 crore to boost religious tourism in 2025-26 budget ...
msn.com
Key Market Movements in May 2024: A Surge to INR 24.7 Lakh Crore ...
in.investing.com
2J Antennas Distributor | DigiKey
digikey.in
Digi-Key Launches Global Capability Centre in Bengaluru | DigiKey
digikey.in
How to Read a DigiKey Quote | DigiKey
digikey.in
ESP32-C6-DEVKITC-1-N8 Espressif Systems | Development Boards, Kits ...
digikey.in
Maharashtra State Lottery Results: Weekly Draw Schedule Announced For ...
freepressjournal.in
LMG1210EVM-012: 10A, 0 ~ 100V Half Bridge Driver
digikey.in
Nagaland State Lottery Result: July 16, 2025, 7 PM Live - Watch ...
freepressjournal.in
CONNECTOR-OBD2 Olimex LTD | Connectors, Interconnects | DigiKey
digikey.in
Key Outcomes of the 21st ASEAN-India Summit 2024
vajiramandravi.com
System on Modules – The OSM Standard | DigiKey
digikey.in
Scheme-it | Wireless Transmitter System | DigiKey
digikey.in
Reserve Bank of India - Homepage
paisaboltahai.rbi.org.in
TE Connectivity Distributor & Supplier | DigiKey
digikey.in
अब श्रीलंका में भी चलेगा भारत का रुपया, भारतीय मुद्रा की बढ़ रही ...
panchjanya.com
Scheme It | Interfacing an Accelerometer with an AVR microcontroller ...
digikey.in
DEMOTS4956J: Headphone Amp, 38mW @ 16 Ω
digikey.in
The Basics of Mixers | DigiKey
digikey.in
Jumper Wire Kits - DigiKey Standard | DigiKey
digikey.in
A28400-009 Omnetics | Connectors, Interconnects | DigiKey
digikey.in
Scheme It | Programmable H-Bridge Power IC | DigiKey
digikey.in
Scheme-it | MAXREFDES89 Complete | DigiKey
digikey.in
Find Part Crosses Fast and Easy at DigiKey | DigiKey
digikey.in
What is Squaring Off? Definition of Squaring Off, Squaring Off Meaning ...
economictimes.indiatimes.com
PT2262 Datasheet by Adafruit Industries LLC | Digi-Key Electronics
digikey.in
EPC9041: 20A, 0 ~ 80V, Half Bridge
digikey.in
DC1894B: 12-Cell Battery Monitor, 11 ~ 55V in
digikey.in
Scheme It | Free Online Schematic and Diagramming Tool | DigiKey
digikey.in
How Will e-Rupee Differ From UPI? Explained | CBDC Phonepe Google Pay Paytm
thedailyjagran.com
EVALSTPM33: Class 0.2, Single-Phase Power Meter with Tamper Monitoring ...
digikey.in
STEPPER-MTR-RD: UniPolar Stepper Motor Driver, 12V
digikey.in
Key differences between UPI and Digital Rupee
odishatv.in
TRF7970AEVM: RFID and NFC
digikey.in
SBI, six other bank customers can scan UPI QR code and pay via digital ...
livemint.com
UCC28060EVM: 390V @ 300W, 85 ~ 265V in
digikey.in
ESP32-C6-DEVKITM-1-N4 Espressif Systems | Development Boards, Kits ...
digikey.in
Servo Motors and Control with Arduino Platforms | DigiKey
digikey.in
A000053: Arduino Micro
digikey.in
Power Entry Connector Accessories | AC Power Connectors | Electronic ...
digikey.in
Five Times The RBI Has Withdrawn Or Demonetised Indian Currency Notes
indiatimes.com
Digi-Key Electronics Reviews | Glassdoor
glassdoor.co.in
Setting Up the Pi Zero Wireless Pan-Tilt Camera Datasheet by SparkFun ...
digikey.in
STMicroelectronics and Acconeer New Product Discoveries Episode 25 ...
digikey.in
EPC9029: 3.5A, 0 ~ 65V, Half H-Bridge
digikey.in
IRDC3841W: 1.8V @ 8A, 12V in
digikey.in
TPA3255EVM: 325W x2 @ 4Ω, Class D Stereo
digikey.in
COINIACS Rare Half Rupee 1938 George VI King Emperor Key Date Silver ...
amazon.in
Indian Rupee: Rupee slides 49 paise to end at record low against dollar ...
timesofindia.indiatimes.com
Power Entry Connector Accessories | AC Power Connectors | Electronic ...
digikey.in
STEVAL-ILL022V1: 80W Batt Charger w/ LED Driver
digikey.in
Versaflo™ Catalog Datasheet by 3M | Digi-Key Electronics
digikey.in
Scheme It | RoboArmSchematic Updated | DigiKey
digikey.in
SSM6322CP-EBZ: High Fidelity Audio Amplifier
digikey.in
LM3445-208277EV: 220mA/350mA @ 55V Max, 230V
digikey.in
EVALSTPM33: Class 0.2, Single-Phase Power Meter with Tamper Monitoring ...
digikey.in
LM3445-208277EV: 220mA/350mA @ 55V Max, 230V
digikey.in
Setting Up the Pi Zero Wireless Pan-Tilt Camera Datasheet by SparkFun ...
digikey.in
Scheme-it | Mini I/O Network Cable Tester | DigiKey
digikey.in
Setting Up the Pi Zero Wireless Pan-Tilt Camera Datasheet by SparkFun ...
digikey.in
Forex News: Latest Forex News, Forex Market updates and Analysis
economictimes.indiatimes.com
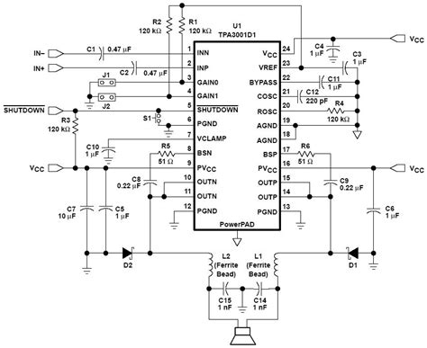
TPA3001D1EVM: Class D, 20W x 1 @ 8 Ω
digikey.in
EVAL6928D: 1.8V @ 800mA: 2 ~ 5.5 V in, 85%
digikey.in
Stock Market Highlights: Sensex plunges 1,414 pts, Nifty below 22,200 ...
economictimes.indiatimes.com
Daily Current Affairs 16th March 2023
bankersadda.com
TPA3101D2EVM: Stereo 10W @ 8Ω, 10 ~ 26V in
digikey.in
LV8760TGEVB: 4A Brush Motor Driver, 9 ~ 35V in
digikey.in
G2RV-SR500-AP AC100 Omron Automation and Safety | Relays | DigiKey
digikey.in
Is your Rs 500 note real or fake? RBI suggests how to check - Real or ...
economictimes.indiatimes.com
Amazon.in: Buy Acer Wireless Keyboard & Mouse Combo with Attractive ...
amazon.in
TDK-Lambda Distributor | DigiKey Electronics
digikey.in
LMG1210EVM-012: 10A, 0 ~ 100V Half Bridge Driver
digikey.in
STEVAL-ISA031V1: 40W, 24V @ 1.7A, 5V @ 1A, 185 ~ 460Vin
digikey.in
CBDC: The Futuristic Indian Currency ‘e-Rupee’ THE NEW INDIAN - cbdc ...
newindian.in
India pushes to expand rupee settlement with key trade partners
msn.com
Scheme-it | F1150 Dual RF to IF Downconverting Mixer | DigiKey
digikey.in
Scheme It | RJ45 Modular Jack Connector with Pulse Transformers | DigiKey
digikey.in
EVAL-433-HHLR: 433MHz Reciever
digikey.in
Power Entry Connector Accessories | AC Power Connectors | Electronic ...
digikey.in
STEVAL-CTM011V1: 250W 3-PH Inverter BLDC or PMSM, 115 / 230 VAC
digikey.in
Scheme-it | Digital Temperature Sensing Circuit | DigiKey
digikey.in
ZXLD1360EV7: 4 ~ 6 LEDs @ 1A, 30V in
digikey.in
India shining: Rupee inches closer to becoming international currency ...
timesnownews.com
BQ51013AEVM-765(#2): 5V @ 1A, 4 ~ 8V in
digikey.in
New 100 Rupee Note 2018: Here is first-look at lavender-coloured ...
zeebiz.com
The Five Senses of Sensors - Touch | DigiKey
digikey.in
DV330100: 3-Phase, 10A @ 10 ~ 24V in, Motor Control
digikey.in
Sri Lanka and Russia in talks to use the rupee in foreign trade
currentaffairs.adda247.com
LM5008EVAL: 10V @ 300mA, 12 ~ 95V in
digikey.in
Scheme It | 2500MHz Linear Amplifier using MMA25312BT1 InGap HBT | DigiKey
digikey.in
Indian economic growth Images - Free Download on Freepik
freepik.com
Scheme-it | 2222222222222222 | DigiKey
digikey.in
Jan Dhan Yojana: बैंक अकाउंट में ज़ीरो बैलेंस होने पर भी निकाल सकते हैं ...
ndtv.in
EVAL-CN0189-SDPZ: 2 Axis Tilt Sensor
digikey.in
50 Rupees New Note Hd Png Download - Pngsource
pngsource.in
E6248: 24 Button Capacitive Touch, SPI
digikey.in
Advanced FDM 3D-Printing Post-Processing Methods for Makers
digikey.in
Forex woes: Rupee drops for sixth straight day amid Dollar strength ...
msn.com
SBI Launches Green Rupee Term Deposit (SGRTD): 10 Key Features
currentaffairs.adda247.com
Rupee Breaches Key 86-Mark Against Dollar As Equities Slip, Dollar Rebounds
msn.com
Rupee Falls Against US Dollar: Key Factors & Impact: Rediff Moneynews
money.rediff.com
TIDA-01519: Fire and Carbon Monoxide Alarm Detector Reference Design ...
digikey.in
BM2P016T-EVK-001: 24V @ 1.25A, 85 ~ 264 VAC
digikey.in
RDK-239: 24V @ 6.25A, 300 ~ 420Vin + 12Vin
digikey.in
RDK-736: 5V @ 500mA and 12V @ 200mA, 85 ~ 440 VAC in
digikey.in
DS18B20U UMW | Sensors, Transducers | DigiKey
digikey.in
Rupee and US Dollar: रुपया, यूरो, येन के मुकाबले यूएस डॉलर धड़ाम! इन 5 ...
navbharattimes.indiatimes.com
HSBC India gets RBI nod to open 20 new bank branches in key cities By IANS
in.investing.com
Explainer: Why Indian Rupee Reached All-Time Low Against Dollar - Key ...
timesnownews.com
Zebronics USB Keyboard with Rupee Key, USB Interface and Retractable ...
vlebazaar.in
IRDC3840W: 1.8V @ 12A, 12V in
digikey.in
What is Mode? Definition of Mode, Mode Meaning - The Economic Times
economictimes.indiatimes.com
TPA3008D2EVM: Stereo 3W @ 3Ω, Class D Amp
digikey.in
10250-55G3PC 3M | Connectors, Interconnects | DigiKey
digikey.in
Brexit aftermath: Indian Rupee takes a hit, key things to know - Brexit ...
economictimes.indiatimes.com
Digital Rupee in India: Meaning, Benefits, and How It Works in 2025
moneysavings.in
All-Time Low Rupee Inches Towards 82 Per Dollar Why The Indian Currency ...
india.com
LM76002EVM-500K: 3.3V @ 2.5A, 3.5 ~ 60V in, Buck Converter
digikey.in
Scheme It | PENTAIR IF3 RELAY BOARD WITH EXTRA RELAY | DigiKey
digikey.in
Welcome To Digikey
polygwalior.ac.in
Related Searches
DigiKey Logo
DigiKey Electronics
DigiKey Icon
DigiKey Warehouse
DigiKey Locations
DigiKey Login
DigiKey South Africa
DigiKey Logo.png
DigiKey USA
Inside DigiKey
Digit Keys
DigiKey Office
Digi Modem
DigiKey Headquarters
Digi-Key Corporation
Dkc DigiKey Corp
DigiKey Go Live Photos
DII KY
DigiKey Logo Transparent
Digi International
Digi-Key Mouser
DigiKey Promo
Digi-Reel
DigiKey Malaysia
DigiKey 得捷
Electronic Components
DigiKey Hardware's
DigiKey Banner
DigiKey Micro LED
DigiKey Ruler
DigiKey Building
DigiKey Logo Weiß
DigiKey Tube
DigiKey People
Ceramic Resonator
DiGi Telecommunications
Distributor Digi-Key
Molex Pin
Electronic Prototyping
DigiKey PCB Ruler
DigiKey 510401
DigiKey Bloomington MN
เม้า Digikay
TE Connectivity Amp Connectors
Digi Key Catalog
DigiKey H2025
DigiKey Discount Code
DigiKey Plant
DigiKey Logo White
Irfc3710 DigiKey
Search
×
Search
Loading...
No suggestions found