Find Your Style
Women
Men
Accessories
Search for clothing, brands, styles...
×
Women
Men
Accessories
Fallout Terminal Png
Search
Loading...
No suggestions found
Buy Fallout: Wasteland Warfare - Terrain Expansion: Terminals Online at ...
amazon.in
Terminal Fallout: Buy Terminal Fallout by Hopper Christopher at Low ...
flipkart.com
Fallout 76 - PS5 & PS4 Games | PlayStation (India)
playstation.com
Fallout 4 - PS5 & PS4 Games | PlayStation (India)
playstation.com
The Fallout Game You Need to Play While You Wait for Season 2 of the Show
in.ign.com
TERMINAL
jaganitradingco.in
Fallout 4 - Скачать на ПК бесплатно
fallout-4.ru.malavida.com
Dowell's | Homepage
dowellscableaccesories.com
Connectors | IBS Electronics
ibselectronics.in
[LINUX] Top 25 Bash Shell Prompt Characters - Yeah Hub
yeahhub.com
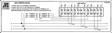
Test Terminal Block
jvselectronics.in
Outil de trading professionnel MetaTrader Edition Suprême
admiralmarkets.com
stampa-stampa.com: Laptop skin decal "Fallout terminal" : Tech Accessories
stampa-stampa.com
Lite-Trap Contact Terminals - Molex | Mouser
mouser.in
Batch system — Woo 1.0+rev4506-git-bdb4de4c6 documentation
woodem.org
TERMINALS
neec.in
1. System — nBox UI 4.1 documentation
ntop.org
Blue cloud png Images - Free Download on Freepik
freepik.com
Ashima Infracon Pvt. Ltd.
steps4career.in
NVMe VPS
s4hosting.in
Lightning Protection Systems: Reliable Protection for Buildings and ...
greentechps.in
Extraction Tool for Multicat CRP Contact Terminals - Molex | Mouser
mouser.in
Radiance Safety Solutions :: Health and Safety Services
radiancesafety.com
Petronet LNG Limited : Home page
pt.pll.co.in
eLOGiPark™ :: Logistic Park Management System
kribhcoinfra.in
FIXWELL RING TERMINALS (NON-INSULATED)
tansoindia.com
Soil Moisture Sensor (with Screw Terminals) - SparkFun | Mouser
mouser.in
Total Environment Over the Rainbow | Over the Rainbow Total Environment ...
totalenvironment.gen.in
Crew Management Services | Marine Industrial Services - ASMACS Group
asmacsgroup.net
Tax on Twitter (X) Income
cleartax.in
ITPPL - Electronics Components Trading
itpelectronics.in
Pioneer India - TS-W1202D4 | New Champion Series Powerful Subwoofer ...
pioneer-india.in
Comment réinitialiser le terminal Helix TV | Vidéotron
videotron.com
FIXWELL SNAP-ON TERMINALS
tansoindia.com
Hotel Management | Restaurant Billing Solution - Menson Softwares
menson.in
PV Solar Fuse Terminal | Blitz Electricals
blitzelectrical.in
KS Terminals (KST) Distributor - Mouser India
mouser.in
Warfarin Overview - Active Ingredient - RxReasoner
rxreasoner.com
KST Terminals – Mouser India
mouser.in
Pre-insulated terminals - Elpress - Secure connections
elpress.net
RT-3 Unit Relay 4-Point Terminals - Panasonic Industrial Devices | Mouser
mouser.in
Photos: Bengaluru’s Terminal 2 is designed to feel like a walk in a ...
cntraveller.in
Al terminals - Elpress - Secure connections
elpress.net
FIXWELL COPPER REDUCER TERMINALS
tansoindia.com
Terminals Archives
mycogroup.co.in
6ES7193-6BP20-0DC0 | SIEMENS Pushin Terminals in Fujian, China
machinio.com
Interglobe Aviation Share Price Live Chart Today - Groww Terminal
groww.in
Kilambakkam bus terminus inauguration may get delayed
dtnext.in
Install applications - Open Educational Resources
teacher-network.in
Fillable Online Product catalogue Terminals Tension clamp technology ...
pdffiller.com
Smart Retail Terminals for sale
telpo.in
FIXWELL RING TERMINALS (INSULATED)
tansoindia.com
Face Reader Biometric Attendance Uface 302 + ID Machine (Black): Amazon ...
amazon.in
Brass Wiring Terminals
sudhan-india.co.in
KRF tube terminals 16 - 800 mm² - Elpress - Secure connections
elpress.net
Adani Group | Growth with Goodness
adani.com
SIOS
support.industry.siemens.com
What is Truth Terminal and the Rise of AI Agents: In-Depth Look at GOAT ...
cryptopanic.com
Post
iocare.in
Photos: Bengaluru’s Terminal 2 is designed to feel like a walk in a ...
cntraveller.in
AlCu terminals - Elpress - Secure connections
elpress.net
adStringO
adstringo.in
Rice Owls 2018 College Football Players Stats - ESPN (IN)
espn.in
Video Conferencing Software for Windows - TrueConf
trueconf.in
Biometric Systems - Hikvision DS-K1T605 Face Recognition Biometric ...
mahadevcomputers.co.in
Elmex Terminal Block - Elmex Stud Type Terminal KBT M4 KBT M100 ...
bigbellysalescorporation.in
Copper Tube Terminals - Elpress
elpress.net
New Rs.500 & Rs.2000 New Indian Currency Notes - Youth Apps
youthapps.in
Buy Your Card Machine Today - viva.com - viva.com
vivawallet.com
Busbar adapter 80A, 1 adjustable rail, 54x200x63mm, 1.5 - 16 mm² ...
nvent.com
What is OBD and OBD - 2 / Launch Car Scanner
launchcarscanner.in
Screw Terminal Block Breakout Shield Module for Arduino MEGA-2560 R3 ...
amazon.in
Home - APM Terminals
apmterminals.com
Salient Features | NXTDIGITAL Partners
nxtdigital.in
Buy AlphaO Quick Splice Snap Wire Connector - Self-Stripping Electrical ...
ubuy.co.in
Aegis Vopak Terminals IPO | IPO UP - Your Gateway to IPO Investments
ipoup.in
メディアリテラシーの意味とは?正しい使い方の例文も紹介 | テックキャンプ ブログ
tech-camp.in
Endless Automations 2 Pin Screw Terminal Block Connectors-Green, 5mm ...
amazon.in
Indian institute of Technical Education
iite.in
DBParts 10 Sets 2-Pin (2 Pole) 3.81mm Pitch Right Angle Screw Terminal ...
amazon.in
Delhi Darbar
delhidarbarsikar.in
Dr babasaheb ambedkar png download
pngbox.in
Paris-Charles De Gaulle Airport Terminal 1 Reopens With A New Look
travelandleisureasia.com
Terminal Maps | İstanbul Airport | Turkish Airlines
turkishairlines.com
Executive Team | City of Phoenix
phoenix.gov
Brass Electrical Switch Terminals
sudhan-india.co.in
Battery Terminal Connectors, SUNMORN 0/4/8/10 Gauge Heavy Duty AMP Car ...
amazon.in
Chennai Super Kings | CSK 2025 Squad & Overview | IPLT20
iplt20-dev-v2.epicon.in
Products | Terminal Bushing
ieplant.co.in
Sofas & More
sofasandmore.in
Electrical Supplies, Equipment & Parts | Zoro
zoro.com
Buy Thermocouple Datalogger Temperature K/J/T/E/R/S/N Type Multiple ...
desertcart.in
Bangalore airport to begin international operations at terminal 2 from ...
hindustantimes.com
- Kardiologie & Gefäßmedizin - Universimed - Medizin im Fokus
universimed.com
Untitled-design-2025-03-05T115741.732_1741347685.png
diamondtimes.in
Derive an expression for terminal velocity of the sphere falling under ...
brainly.in
Decathlon India | LBB
lbb.in
Conflict Islands PNG (Papua New Guinea) cruise port schedule | CruiseMapper
cruisemapper.com
Buy MY MIRONEY 5-Pack Terminal Bus Bar Brass Terminal Grounding Strip ...
desertcart.in
Buy 8 Terminal Bus Bar Terminal Block 10 Pack Brass Wire Screw Terminal ...
desertcart.in
Lightning Arrester - ESE Lightning Arrester Manufacturer from Faridabad
electropower.co.in
Terminal X 2024 presentation slides: Record profitability as revenue ...
in.investing.com
Terminal Handling Charges (THC): Meaning, Calculation, and Examples
dripcapital.com
PM unveils Terminal 2 at Bengaluru's Kempegowda International Airport
constructionworld.in
Solid-liquid interface — Tutorials 2022.1 documentation
scm.com
MM300S | AOC Accessories
aoc.com
Ms dhoni HD png image | Mahendra singh dhoni cricketer png
pngguru.in
Swami Vivekanand PNG Download
pngbox.in
Buy R Cinex 600mg Strip Of 3 Tablets Online at Flat 15% OFF | PharmEasy
pharmeasy.in
Bangalore Airport IPO Likely To Be Launched Next Year
indiatimes.com
Wire Ferrules, Sopoby Insulated Ferrule Crimp Pin Terminal Kit for ...
amazon.in
UNESCO: Bengaluru Airport’s T2 named among ‘world’s most beautiful ...
timesofindia.indiatimes.com
Bengaluru T2: The new sun-lit Garden Terminal tried and tested | Condé ...
cntraveller.in
Mumbai To Goa Cruise Ferry To Be Launched In February
traveltriangle.com
Wagon R Variants | Features & Price Comparison
carfolio.in
'Walk in the Garden' PM Narendra Modi to inaugurate Bengaluru ...
zeenews.india.com
Oude versie van MacOs installeren lukt niet? - Macs en software - GoT
gathering.tweakers.net
Terminal 2 at Bengaluru airport likely to begin operations by mid-Jan ...
hindustantimes.com
OR Tambo International Airport, Kempton Park
roomsforafrica.com
Related Searches
Fallout Terminal Screen
Fallout 4 Terminal
Fallout Terminal Background
Fallout Terminal Wallpaper
Fallout 3 Terminal
Fallout Wall Terminal
Fallout Hacking
Fallout Computer
Terminal Fallout 76
Robco Fallout
Fallout Terminal Real Life
Fallout Terminal STL
Terminal New Vegas
Fallout 1 Terminal
Fallout Terminal Texture
Classic Fallout Terminal
Master Fallout
Fallout Backgrounds for PC
Fallout Desktop
Fallout Terminal Png
Fallout Terminal Menu
Fallout Enclave Flag
Fallout Vault Tech
Vault-Tec Terminal
Fallout Terminxal Screen
Fallout Wallpaper 2560X1440
Fallout 3 Font
Fallout PC Console
Fallout Terminal Wallaper
Fallout Arduino
Fallout Badge
Fallout 4 Railroad Location
Fallout Terminal Port
Fallout Please Stand By
Good Neighbor Fallout 4
Where Is the Railroad Fallout 4
Fondo Fallout Piboy
Fallout Classic APA
Terminal Log Fallout
Fallout Terminal Wallpaper.jpeg
Transparent Terminal Fallout
Fallout 76 Exam Terminal
Vault Boy Terminal
Fallout 76 Keyboard
Fallout Terminal Raspberry Pi
Modus Medical Terminal Fallout 76
Aliens Computer Terminal
Fallout Portable Terminal
Fallout Lock Screen
Fallout Show Terminal
Search
×
Search
Loading...
No suggestions found