Find Your Style
Women
Men
Accessories
Search for clothing, brands, styles...
×
Women
Men
Accessories
Llaveros Encapsulados
Search
Loading...
No suggestions found
INR Full Form: What is full form of INR?
bankersadda.com
Goldstone Tech acquires 'WowTruck' at INR 8 cr
psuconnect.in
MCL signs INR 7.02 crore MoU for AAROGYA initiative
psuconnect.in
Foodie Tour of the Sydney Opera House in Sydney from INR 15573 | Pelago
pelago.co
HiFi Finance Live Price Chart, HIFI to INR live price and Market cap
suncrypto.in
Best Women Watches Under INR 15K | LBB
lbb.in
Get Alia Bhatt's Stunning Wedding Dress Under INR 20,000 | LBB
lbb.in
BTC to INR Converter, Convert Bitcoin to INR Exchange 2022 - Exchanger24
exchanger24.org
ValueQuest Enters PE Segment With INR 1,000 Cr Fund
businessoutreach.in
Philips Remote Inr Order Form - Fill Online, Printable, Fillable, Blank ...
pdffiller.com
Get 21+ Whiskey For INR 1850 In Bangalore | LBB
lbb.in
BTC to INR Converter, Convert Bitcoin to INR Exchange 2022 - Exchanger24
exchanger24.org
Mast Masala Oats | TATA Soulfull | INR 209/- only
soulfull.co.in
कोस्टा रिका - Costa Rica (1 INR = 8.65 Colon) | Navbharat Times
navbharattimes.indiatimes.com
Uñas encapsuladas, donde la creatividad no tiene límites - Inesbe
inesbe.com
Coagulation Analyzer - Micropoint Q3 Pro Electrometer PT-INR Wholesaler ...
r2healthcare.in
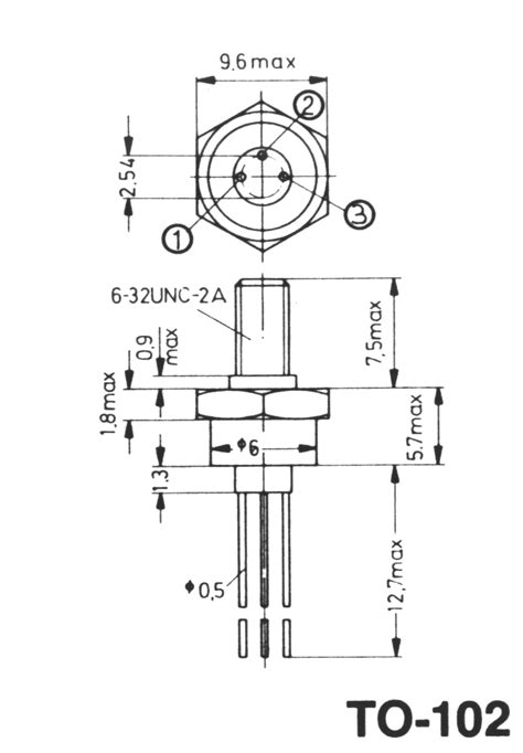
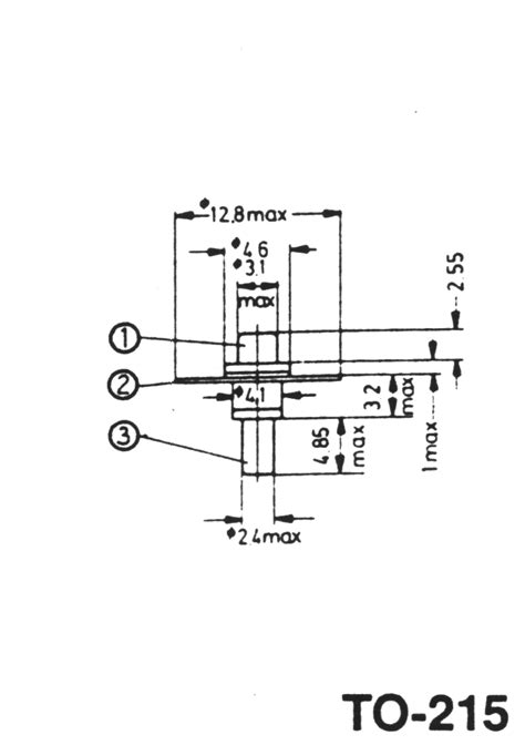
Encapsulados de transistores
alltransistors.com
Encapsulados de transistores
alltransistors.com
Encapsulados de transistores
alltransistors.com
Encapsulados de transistores
alltransistors.com
Encapsulados de transistores
alltransistors.com
Encapsulados de transistores
alltransistors.com
Encapsulados de transistores
alltransistors.com
Uses and SideEffects of Warfarin: What You Need to Know
medicoverhospitals.in
1 million dong in indian rupees - Brainly.in
brainly.in
Anticoagulation in Acute Pulmonary Embolism: Which Drug? How Long ...
universimed.com
Llavero Anticontact Napil
wonduu.com
Sri Lanka and Russia in talks to use the rupee in foreign trade
currentaffairs.adda247.com
Nudibránquios
scuba-gifts.com
Llaveros : Macoval, Fabricación de Joyería y Fornituras
macoval.com
Fake notes worth over Rs 14 lakh in Rs 500 denominations seized in Odisha
odishatv.in
China Regalo promocional personalizado mayorista sublimación Llavero de ...
es.made-in-china.com
Indonesian Rupiah - Buy IDR Currency Online in India
makemytrip.com
India shining: Rupee inches closer to becoming international currency ...
timesnownews.com
Llaveros de Bally para Hombre en Rebajas | GIGLIO.COM
giglio.com
Llaveros de Bally para Hombre en Rebajas | GIGLIO.COM
giglio.com
How Indian Rupee Stands Against Other Major Currencies
indiatimes.com
Llavero cristal c/ luz golf
carlaworld.com
LLAVERO ABC - Aula en Juego
aulaenjuego.com
Betty Boop x SHEIN Llavero con dije/adorno para bolso decorado con ...
es.shein.com
Llavero beige TOUS Kaos Mini Evolution | TOUS
tous.com
Llavero beige TOUS Kaos Mini Evolution | TOUS
tous.com
Medicinal Chemistry - III - MEDICINAL CHEMISTRY – III ANTICOAGULANTS ...
studocu.com
Llavero Teddy Bear dorado y rojo | TOUS
tous.com
USD/INR Cracks Big: Falls 2% in 4 Days! | Investing.com India
in.investing.com
Did You Know About India's Rs 10,000 Rupee Note
indiatimes.com
Discover The Best Brands & Recommendations For Basics | LBB
lbb.in
Blood thinning Diet: Foods to eat and foods to avoid | Sprint Medical
sprintmedical.in
Encapsulados de transistores
alltransistors.com
Year-ender 2022: Three factors that will drive INR/USD rate next year ...
livemint.com
Five Times The RBI Has Withdrawn Or Demonetised Indian Currency Notes
indiatimes.com
USD/INR forecast: Indian bond yields plunge ahead of RBI decision By Invezz
in.investing.com
Encapsulados de transistores
alltransistors.com
MSN Money
msn.com
Warfarin Dose Adjustment Chart - Fill Online, Printable, Fillable ...
pdffiller.com
Is your Rs 500 note real or fake? RBI suggests how to check - Real or ...
economictimes.indiatimes.com
Cut-Out: The Risqué Trend That's Running Rampant On The Runways ...
grazia.co.in
8 Obat Stroke yang Efektif dan Tersedia di Apotik - Alodokter
alodokter.com
Buy Absolute Anticoagulant Journal: A Comprehensive logbook for ...
desertcart.in
Factor XI/XIa Inhibition: The Arsenal in Development for a New ...
mdpi.com
USD/INR Breaking Imp. Trendline; Is Nifty 50 Topping Out? | Investing ...
in.investing.com
How Indian Rupee Stands Against Other Major Currencies
indiatimes.com
Encapsulados de transistores
alltransistors.com
India@2047 - PwC India
pwc.in
Encapsulados de transistores
alltransistors.com
Fed’s 75 bps Hike: Rupee Falls to Record Low, Sets Eye for ‘82 ...
in.investing.com
Encapsulados de transistores
alltransistors.com
Warfarin and Antibiotics: Drug Interactions and Clinical Considerations
mdpi.com
Buy Maruti GRAND VITARA SMART HYBRID ALPHA 1.5L 6AT Dual in Kerala ...
indusmotor.com
Online Forex Trading And Currency Trading In India
samco.in
Diagnosis Atrial Fibrilasi - Alomedika
alomedika.com
Warfarin Sodium
kmpharma.in
The Wire: The Wire News India, Latest News,News from India, Politics ...
thewire.in
Study on In Vitro Metabolism and In Vivo Pharmacokinetics of Beauvericin
mdpi.com
Back To Black: | Grazia India
grazia.co.in
International Trade Settlement in Indian Rupee (INR)
taxguru.in
Drosophila as a Model Organism to Study Basic Mechanisms of Longevity
mdpi.com
Welingkar Institute of Management - NewsWire
newswire.nokomis.in
List Of Countries That Have Opened Special Rupee Vostro Accounts
indiatimes.com
USD/INR Strengthens Amid CPI Data and Outflows Pressure By Kedia Advisory
in.investing.com
Cut-Out: The Risqué Trend That's Running Rampant On The Runways ...
grazia.co.in
Puma Brand Mens Original Xetic Halflife Sports Shoes 195196 06 (Black ...
rajashoes.in
Tally intoducion - +91 9902882559 tallybooks@sahajindia Home About us ...
studocu.com
Jio: Reliance Jio Q3 profit rises by 28% to Rs 4,638 cr, revenue up 19% ...
economictimes.indiatimes.com
Forensic Science Salary 2025: Scope, Placements, and Government Jobs 2025
collegesearch.in
Accounting for Management: Text and Cases, 3e by S.K. Bhattacharyya ...
vikaspublishing.com
RBI Pushing Printing Presses To Work 24/7 To Print ₹500 Notes To ...
indiatimes.com
HOW IS FOOD SECURITY ENSURED IN INDIA? - Brainly.in
brainly.in
Warfarin | CAS No- 81-81-2 | Simson Pharma Limited
simsonpharma.com
USDINR – Is It A Price Action Pullback Or Shakeout ? | Investing.com India
in.investing.com
Osteoporosis - patofisiologi, diagnosis, penatalaksanaan - Alomedika
alomedika.com
Related Searches
Encapsulados SMD
Tipos De Encapsulados
Encapsulados De Transistores
Expositores De Encapsulados
Processadores Encapsulados
Encapsulados Prateado
Componentes Encapsulados
Tipos De Encapsulados De Circuitos Integrados
Generadores Encapsulados
Encapsulados Sem Marca
Residuos Encapsulados
Germenes Encapsulados
Encapsulados De Capacitores
Encapsulados Combinacionales
Diodos Encapsulados
Encapsulados Resistencias
Frascos De Encapsulados
Vegetales Encapsulados
Encapsulados Metálicos Granollers
Antioxidantes Encapsulados
Encapsulados De Los Diodos
Amostra De Encapsulados Prateado
Encapsulado De Circuitos Integrados
Encapsulados En Resina En Base De Plastico
Módulos Electrónicos Encapsulados
Encapsulado Uñas
Encapsulados Cuadrados Planos
Unhas Encapsuladas
Microoganismos Encapsulados
Disenos De Unas Acrilicas Encapsuladas
Cuadros Encapsulados
Bases En Plástico Con Encapsulados
Capacitor Encapsulado
Encapsulados De Los Diod
Transistor Tipos De Encapsulados
Encapsulado Acrílico
Encapsulados Con Resina Para Circuitos Integrados
Tipos De Encapsulados De Bobinas
Encapsulados Ci Combiancionales
Socket Para Encapsulado
Encapsulado Con Estrellitas
Propaganda De Capsulados
Encapsulado De Herramientas
Encapsulado Procesador
Uñas Acrilicas Encapsulados
Transformadores Encapsulados
Encapsulados Resina Epoxi
Animales Encapsulados
Imagens De Encapsulados
Tipos De Encapsulados Componentes Electronicos
Search
×
Search
Loading...
No suggestions found