Find Your Style
Women
Men
Accessories
Search for clothing, brands, styles...
×
Women
Men
Accessories
Reliability Monitor Tool
Search
Loading...
No suggestions found
Demand for INR Test Meters in UK | UK Market Analysis Report - 2036
futuremarketinsights.com
How to Check Windows Crash Logs and Error Logs?
stellarinfo.co.in
How to Use Windows Reliability Monitor to Identify Software Issues ...
dell.com
How to use Windows Reliability Monitor to identify software issues ...
dell.com
How to Check Windows Crash Logs and Error Logs?
stellarinfo.co.in
Microsoft GameInput causing crashes and restarts - Microsoft Q&A
learn.microsoft.com
Light Weight Good Reliability Small Size Energy Monitor, Watt Meter ...
amazon.in
How to Check Windows Crash Logs and Error Logs?
stellarinfo.co.in
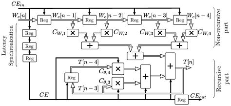
FPGA-Based Degradation and Reliability Monitor for Underground Cables
mdpi.com
FPGA-Based Degradation and Reliability Monitor for Underground Cables
mdpi.com
FPGA-Based Degradation and Reliability Monitor for Underground Cables
mdpi.com
FPGA-Based Degradation and Reliability Monitor for Underground Cables
mdpi.com
FPGA-Based Degradation and Reliability Monitor for Underground Cables
mdpi.com
Research on the Reliability of Bridge Structure Construction Process ...
mdpi.com
FPGA-Based Degradation and Reliability Monitor for Underground Cables
mdpi.com
FPGA-Based Degradation and Reliability Monitor for Underground Cables
mdpi.com
FPGA-Based Degradation and Reliability Monitor for Underground Cables
mdpi.com
FPGA-Based Degradation and Reliability Monitor for Underground Cables
mdpi.com
FPGA-Based Degradation and Reliability Monitor for Underground Cables
mdpi.com
How to establish the validity and reliability of qualitative research?
projectguru.in
Advanced Power Applications for System Reliability Monitoring (Power ...
amazon.in
FPGA-Based Degradation and Reliability Monitor for Underground Cables
mdpi.com
Reliability test in SPSS using Cronbach Alpha
projectguru.in
FPGA-Based Degradation and Reliability Monitor for Underground Cables
mdpi.com
FPGA-Based Degradation and Reliability Monitor for Underground Cables
mdpi.com
Criteria for reliability and validity in SEM analysis
projectguru.in
What is Risk Management Automation ? Steps to Automate
1985.co.in
Evaluation of Normalized Difference Water Index as a Tool for ...
mdpi.com
Νέες σειρές καρτών γραφικών από AMD, Nvidia και Intel - Σελίδα 639 ...
adslgr.com
Process and Production Intelligence - MOM Software - Operational ...
new.abb.com
Fillable Online Item 08 - Reliability Monitor Services Agreement Fax ...
pdffiller.com
Security Architecture for Secure Train Control and Monitoring System
mdpi.com
Kubernetes monitoring in Zabbix via Prometheus backend | Vignesh Ragupathy
blog.vikki.in
Asset Management and Predictive Maintenance with IoT Solutions
xenonstack.com
Plant Overview Dashboards Display Information for Specific Personas ...
rockwellautomation.com
Best Social Media Monitoring Tools In 2022
seagulladvertising.com
Tool sets | Phoenix Contact
phoenixcontact.com
Guardians of Reliability: System3's Remote Monitoring Services Demystified
blog.system3.net
What is Supplier Relationship Management? | Informatica India
informatica.com
Buy Water Pipe Leakage Monitor, Underground Water Pipe Leakage Detector ...
desertcart.in
MEDTECH® BP12BL (Backlit Display) Fully Automatic Portable Digital ...
amazon.in
切削工具の状態が分かって不良発生防止!「工具監視AIソリューション」|製品ジャーナル|THKジャーナル|THKオフィシャルウェブサイト
thk.com
The 12 best call monitoring software of 2025
zendesk.com
Back Grinding: Wafer Thinning | Marposs
marposs.com
15 Monitoring Alerting And Automation Tools Job vacancies in Chennai 2026
foundit.in
15 Monitoring Alerting And Automation Tools Job vacancies in Chennai 2026
foundit.in
EM6436 Load Monitor | Schneider Electric India
se.com
Website Checker for Agencies & Multi-Product Companies ᐈ
sitechecker.pro
SWADESI BY MCP Professional Aneroid Sphygmomanometer Blood Pressure ...
flipkart.com
I-READY DIAGNOSTIC DATA TRACKER | I-READY GROWTH MONITORING | TPT
teacherspayteachers.com
Monitoring Reading Tracker Template | Reading Comprehension
twinkl.co.in
Chapter 24. System Monitoring Tools | Deployment Guide | Red Hat ...
docs.redhat.com
A K Homes -Good Reliability No Reset Button Light Weight Watt Meter ...
amazon.in
Saving Power with Smart Grid and the IoT | Mouser
mouser.in
Autel MS309 Car OBD2 Scanner Engine Fault Code Reader Check State ...
desertcart.in
TPA01 Tire Monitor System Tool TPMS Digital Tire Pressure for Car ...
amazon.in
Reliability Modelling and Analysis of the Power Take-Off System of an ...
mdpi.com
Power Meter, Good Reliability Energy Monitor, for Hotel for Home ...
amazon.in
Buy Statistical Techniques in Life-testing, Reliability, Sampling ...
amazon.in
brigada eskwela committee roles and responsibilities ppt Doc Template ...
pdffiller.com
Pablo Vegas, a utility executive in Ohio, named ERCOT’s new CEO
newschannel6now.com
Buy VXSCANTPMS Relearn Tool, Tire Pressure Monitor Sensor Activation ...
desertcart.in
Belt Tension In Gauge Belt Gauge Tool Adjustable 10 Pounds | Desertcart ...
desertcart.in
I tried gaming on the M4 Mac Mini — here's how it went
icymi.in
How to choose the optimal number of threads - MailBot by Tavel — email ...
tavel.in
How to Calibrate LCD Panel Color Temperature in Windows 11 and Windows ...
dell.com
Integrated Mycotoxin Management - Trouw Nutrition
trouwnutritionasiapacific.com
Website Monitoring Tools 2026: Uptime, SEO, & Health (Free & Paid)
milesweb.in
Buy Autel OBD2 Scanner MS309 Universal Car Engine Fault Code Reader ...
desertcart.in
SMA Connector, Copper N Male 2pcs RF Adapter, High Reliability Industry ...
amazon.in
Sunicon Weld Gauge, Steel Welding Measure Tool MG 8 Weld India | Ubuy
ubuy.co.in
lube oil testing report, lube oil analysis report
atlaslab.in
Monitoring tool clamping distances – inductive sensors | Balluff
balluff.com
Buy Statistical Theory of Reliability and Life Testing: Probability ...
amazon.in
Best Performance Monitoring Tool Companies | Mint360
mint360.in
Amazon.in: Buy acer ED270 X2 27 Inch Full HD 1500 R Curved Gaming ...
amazon.in
Monitoring tool clamping distances – inductive distance sensors | Balluff
balluff.com
Curved vs Flat Monitor: A New Perspective on Monitor Choice | BenQ India
benq.com
Buy Hemobllo Portable Spirometer - Peak Flow Meter Spirometer Asthma ...
desertcart.in
LG 34 (86.36cm) UltraGear™ OLED all-new 800R curved gaming monitor | 21 ...
lg.com
Top 3 Process Monitoring Tools for Malware Analysis - Tech Hyme
techhyme.com
Reliability - notes - Overview of Reliability and Validity Outside of ...
studocu.com
Liquidity Risk Monitoring Tools – Net Stable Funding Ratio (NSFR ...
bankingschool.co.in
Fire Sprinkler Monitoring by Honeywell System Sensor
honeywellbuildings.in
Cgsulit Car Code Reader Sc301 Obd2 Scanner With Smog Check | Desertcart ...
desertcart.in
Elephant Heavy Duty 1/2 Inch Impact Wrench IW 02 For Cars (Colour ...
amazon.in
STANLEY 94-181 Master Tool Set, 150-Pieces: Amazon.in: Home Improvement
amazon.in
Buy Battery Monitor, Multifunctional Battery Meter Reliability High ...
desertcart.in
Renuka Tools
renukatools.in
ECG Card (EKG) R-CAT Window. ECG tool for paramedics, nurses and ...
desertcart.in
Board Level Drop Test for Evaluating the Reliability of High-Strength ...
mdpi.com
SI FANG Mini Pneumatic Chamfering Tool with Replace Blades Inserts and ...
amazon.in
Acer Nitro Qg271 27 Inch Full Hd Gaming LCD Monitor with Led Back Light ...
amazon.in
Honeywell HVAC Monitoring Sensors for Efficient Building Control
honeywellbuildings.in
Alaska Native Allotments at Risk: Technological Strategies for ...
mdpi.com
RS PRO | RS PRO Hand Ratcheting Crimp Tool for Crimp Contacts, 0.35 → 1 ...
in.rsdelivers.com
Amazon.in: Buy Acer ED270R S3 27 Inch (68.58 Cm) Full HD 1500 R Curved ...
amazon.in
Bosch Tyre Pressure Monitoring System (TPMS) for Cars with tubeless ...
amazon.in
ECG Card (EKG) R-CAT Window. ECG tool for paramedics, nurses and ...
desertcart.in
Buy Sara-u 34cm Scale Drawing Ruler Pantograph Folding Ruler Reducer r ...
desertcart.in
Taiss BNC Crimp tool with 10PCS BNC Connector,Coax Coaxial BNC Crimping ...
amazon.in
Computer Turns On But No Display: Troubleshoot Display Problems | Dell ...
dell.com
Daily Current Affairs 11 August 2023, Important News Headlines (Daily ...
bankersadda.com
Buy Oil Drum Tool, Aluminum Good Reliability Oil Resistance Oil Drum ...
desertcart.in
BenQ EW3270U 32"(80cms) 3840x2160 4K VA 60Hz HDR10| 95%DCI-P3|treVolo ...
amazon.in
Dell Optiplex Desktop Computer With 24 Inch Monitor Pc Monitor ...
desertcart.in
Amazon.in: Buy Acer 21.5 inch LED Backlit Computer Monitor I IPS Full ...
amazon.in
Introduction to Reliability Engineering: Buy Introduction to ...
flipkart.com
RELIABILITY OF EMPLOYMENT RATES | IAS GYAN
iasgyan.in
Buy Qingyuan Prof ional Stainl Steel Vernier C r 0-150mm Sliding Gauge ...
desertcart.in
Fire Sprinkler Monitoring by Honeywell System Sensor
honeywellbuildings.in
Dell 27 Inch Plus Adjustable Stand Monitor - S2725HS | Dell India
dell.com
Dell Pro 24 Inch Plus Monitor P2425H - FHD IPS Display | Dell India
dell.com
Buy ECG Card (EKG) R-CAT Window. ECG tool for paramedics, nurses and ...
desertcart.in
LAC Session Evaluation (QAME) - DEPARTMENT OF EDUCATION Region VI ...
studocu.com
Buy SSR-150WA-R High Reliability Practical Sturdy Single Phase Motor ...
desertcart.in
Buy VonHaus Dual Monitor Stand for 13-32" Screens, Twin Monitor with ...
desertcart.in
Dell S2721QS 27 Inch (68.5cm) 4K UHD (3840 x 2160) Pixels IPS Ultra ...
amazon.in
Buy Ouneed - Monitor Hand Tool Body BMI Grease Analyzer Electronic Hand ...
desertcart.in
R.K. Enterprises in Hyderabad
publicaddresssystem.in
Related Searches
Windows System Monitor
Windows Reliability Monitor
Resource and Performance Monitor
Network Monitoring
Reliability Monitor Windows 1.0
Reliability Engineer
Reliability Engineering
Perfmon
Event Viewer Monitoring Tool
Windows Reliability History
Windows Server Performance Monitoring Tools
Hardware Monitor Windows 7
View Reliability Monitor Windows 1.0
Windows Reliability Monitor Prblem Signature
Monitor with CPU Inbuilt
Rehalibility Monitor
Laptop Reliability Ratings
SRE vs DevOps
Windows Reliability Monitor Hardware Problem Problem Signature
Machine Monitoring Software
Search
×
Search
Loading...
No suggestions found