Find Your Style
Women
Men
Accessories
Search for clothing, brands, styles...
×
Women
Men
Accessories
Xplc Exor
Search
Loading...
No suggestions found
RBI Allows Overseas Banks to Open INR Accounts
currentaffairs.adda247.com
INR Full Form: What is full form of INR?
bankersadda.com
Indian Rupee (₹) - Buy INR Currency Online at Best Rates
makemytrip.com
Understanding the Saudi Riyal Currency | INR to SAR
orientexchange.in
33000 euro to inr - Claim a ₹300 Bonus Today! Android IOS V- 1.79
tax.lsgkerala.gov.in
Explore the smoothest whiskey collection: Best Scotch under INR 2000
lifestyleasia.com
Facts about Indian businessman who is buying Lavasa city for INR 1814 ...
timesofindia.indiatimes.com
Anand Kamalnayan Pandit — INR 8,660 Cr (Sri Lotus Developers & Realty ...
economictimes.indiatimes.com
KWD to INR conversionDownload it from KWD to INR conversion for free 7.99
durslt.du.ac.in
Ugro Capital Crosses Inr 10000 crore aum milestone launches 10k ...
psuconnect.in
inr usd exchange rate: Latest News & Videos, Photos about inr usd ...
economictimes.indiatimes.com
BTC to INR Converter, Convert Bitcoin to INR Exchange 2022 - Exchanger24
exchanger24.org
inr usd exchange rate: Latest News & Videos, Photos about inr usd ...
economictimes.indiatimes.com
inr usd exchange rate: Latest News & Videos, Photos about inr usd ...
economictimes.indiatimes.com
0.1 ETH to INR Converter, How much Convert Ethereum to Indian Rupee ...
exchanger24.org
Nepal: 5 men arrested for carrying banned Indian rupee notes worth INR ...
aninews.in
inr usd exchange rate: Latest News & Videos, Photos about inr usd ...
economictimes.indiatimes.com
INR extends winning streak
msn.com
ValueQuest Enters PE Segment With INR 1,000 Cr Fund
businessoutreach.in
Convert QAR to INR | Qatari Rial to Indian Rupee
unimoni.in
EXOR | Reference | baramundi
baramundi.com
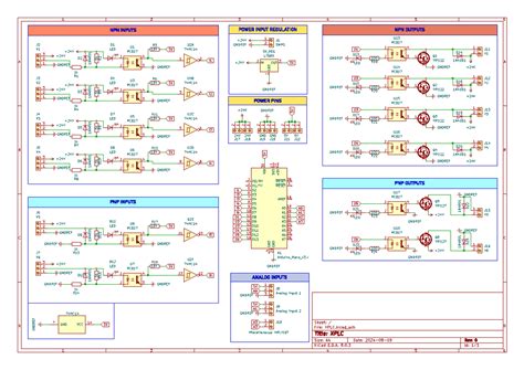
XPLC- Schematic - sadfdagad - 1 2 3 4 5 6 NPN INPUTS POWER INPUT ...
studocu.com
STACKER 2 Stacker 3 XPLC 20 Capsules Bottle Lot of 6 X Bottles India | Ubuy
ubuy.co.in
Buy Best Premium Perfume for Men & Women Online India | XLNC Perfumery
xlncperfumery.com
Aptech Automation - Service Provider of eSMART Series & eX700 Series ...
aptechautomation.co.in
XOR gate: Definitions, truth table, symbol, logical expression ...
allen.in
Companies ranked by revenue - CompaniesMarketCap.com
companiesmarketcap.com
Stacker Two XPLC SWARM Yellow Hornet Black Jax India | Ubuy
ubuy.co.in
RBI launches retail digital rupee on pilot basis
aninews.in
EXOR | Reference | baramundi
baramundi.com
Hmi Touch Panel - Exor JSmart 710 HMI Touch Panel Manufacturer from Mumbai
aptechautomation.co.in
Imperative
theimperative.in
RBI appoints P Vasudevan as new executive director
currentaffairs.adda247.com
HMI Touch Panel - EXOR HMI 7" INCH ESMART07M Touch Panel Manufacturer ...
avinyaengineers.in
XOR gate: Definitions, truth table, symbol, logical expression ...
allen.in
List Of Countries That Have Opened Special Rupee Vostro Accounts
indiatimes.com
Buy Absolute Anticoagulant Journal: A Comprehensive logbook for ...
desertcart.in
In boost for Modi govt, Bangladeshi banks plan transactions in Indian ...
timesofindia.indiatimes.com
Next tranche of Bharat Bond ETF opens tomorrow: 10 things on NFO | Mint
livemint.com
India’s Secret Currency War: Why RBI Won’t Save the Rupee - BW ...
businessworld.in
India shining: Rupee inches closer to becoming international currency ...
timesnownews.com
International Trade Settlement in Indian Rupee (INR)
taxguru.in
INTERNATIONALISATION OF RUPEE
iasgyan.in
WHAT Is RBI's Digital Rupee (CBDC) Is It Cryptocurrency
kenstonecapital.in
Nepal Unveils New 100 Rupee Note with Altered Map, Including Indian ...
timesnownews.com
Gold Necklace Set for Women | Buy Gold Necklace Set Online India ...
manubhai.in
USD/INR Cracks Big: Falls 2% in 4 Days! | Investing.com India
in.investing.com
International Trade Settlement in Indian Rupee (INR)
taxguru.in
Markets - Finshots
finshots.in
Buy Gold Bangles Online India with Latest Designs - Manubhai Jewellers
manubhai.in
Explore the List of 10 Best Cybersecurity Stocks in India | 5paisa
5paisa.com
Rupee Rises 7 Paise To Settle At 83.18 Against US Dollar
freepressjournal.in
India Govt. Mint 90th Interpol Assembly 2022 Commemorative Coin
coinbazaar.in
Here's How To Apply The Rupee Symbol In Word In Few Easy Steps ...
cashify.in
Gold Necklace Set for Women | Buy Gold Necklace Set Online India ...
manubhai.in
Explained: Sri Lanka Using The Indian Rupee For International Trade | BOOM
boomlive.in
अब श्रीलंका में भी चलेगा भारत का रुपया, भारतीय मुद्रा की बढ़ रही ...
panchjanya.com
Gold Necklace Set for Women | Buy Gold Necklace Set Online India ...
manubhai.in
Indian Rupee Depreciation Against Dollar
studyiq.com
All brands
in.wiautomation.com
22 Countries Open Special Rupee Vostro Accounts In Indian Banks ...
goodreturns.in
All-Time Low Rupee Inches Towards 82 Per Dollar Why The Indian Currency ...
india.com
List Of Countries That Have Opened Special Rupee Vostro Accounts
indiatimes.com
Five Times The RBI Has Withdrawn Or Demonetised Indian Currency Notes
indiatimes.com
SBI Digital Currency: Digital Rupee: How SBI customers can load e-Rupee ...
economictimes.indiatimes.com
7 countries where the Indian Rupee is stronger
timesofindia.indiatimes.com
Explained: How RBIs Digital Rupee (e₹) Is Different From UPI
indiatimes.com
Buy Gold Pendant Set with Earrings Online India | Latest Gold Pendant ...
manubhai.in
Sri Lanka and Russia in talks to use the rupee in foreign trade
currentaffairs.adda247.com
Rupee hits all-time low of 89.66 against US dollar: Indian currency ...
bhaskarenglish.in
How Indian Rupee Stands Against Other Major Currencies
indiatimes.com
India and Malaysia can now trade in Indian rupee
currentaffairs.adda247.com
BillWizz: Saving Every Rupee with Smart Payment Plan - The Daily Beat ...
thedailybeat.in
Indian Rupee (INR) breaches 90-mark against US Dollar | Current Affairs ...
visionias.in
Buy Diamond Necklace Online | Diamond Set Online Manubhai Jewellers
manubhai.in
Rupee Gains 70 Paise At 85.25 USD, Bounces Back From 3-Day Losing ...
freepressjournal.in
Digital Logic: ISRO CSE 2023 | Question: 10
gateoverflow.in
Rupee slides to fresh all-time low of 83.78 against dollar on forex ...
english.varthabharati.in
Banks from 18 countries get RBI's nod to trade in rupee: Centre in RS
currentaffairs.adda247.com
कोलंबिया में जाकर कितना हो जाएगा भारत का 5000 रुपया? PESO या रुपया ...
india.com
Digital Logic: Minimum NAND/NOR Gates - Realization for ExOR,ExNor ...
gateoverflow.in
Digital Rupee- How is e-Rupee Different from UPI? - Goodreturns
goodreturns.in
Diamond Necklace Designs | Buy Diamond Necklace Set Online at Best ...
manubhai.in
MGT-6 Form Filing Process and Key Requirements
taxguru.in
List Of Countries That Have Opened Special Rupee Vostro Accounts
indiatimes.com
‘Rupee Is Not Sliding, Dollar Is Strengthening': FM Sitharaman’s Logic ...
in.mashable.com
International Trade Settlement in Indian Rupee (INR)
taxguru.in
Control Panel - Exor 700 Series IOT Control Panel Service Provider from ...
aptechautomation.co.in
Diamond Necklace Designs | Buy Diamond Necklace Set Online at Best ...
manubhai.in
Gold Necklace Set with Price | Buy Gold Necklace Set Online
manubhai.in
Draw the truth table to represent a two input XOR gate - Brainly.in
brainly.in
Exor HMI Touch Panel Repairing Services - Exor HMI Touch Panel ...
ascontrolsautomation.in
Explained: Which Material Is Used To Make Indian Currency Notes, No It ...
indiatimes.com
Stalin said- Sitaraman also used the Tamil symbol of Rupee | Bhaskar ...
bhaskarenglish.in
Best phones under Rs 50,000 in India 2022 | TechRadar
techradar.com
Diamond Earrings Designs | Buy Diamond Earrings Online India - Manubhai ...
manubhai.in
3d style indian currency rupee sign on white background design | Free ...
freepik.com
**Page Title:** "Top 10 Saree Trends Every Woman Must Know in 2024 ...
sanjarcreation.com
Solo Leveling: ReAwakening ending - Will Jinwoo survive the Red Gate?
lifestyleasia.com
Buy Gold Bangles Online India with Latest Designs - Manubhai Jewellers
manubhai.in
In charts: As the rupee sinks touches 80 against the dollar, what does ...
scroll.in
Buy Gold Set Online | Gold Set by Manubhai.
manubhai.in
Indian Rupee Symbol (₹): Facts about the official Currency of India
indiatimes.com
What Is Digital Rupee, RBI launches Its First Pilot Project
currentaffairs.adda247.com
Collections
svbventures.in
Cameras under 10000: Buy top digital cameras online in India (2024)
lifestyleasia.com
Inflation or disinflation - Where are dollar & rupee moving? - The ...
economictimes.indiatimes.com
RBI launches first Digital rupee pilot programme: What is digital rupee ...
freepressjournal.in
Digital Rupee to Launch in 2022-2023 by RBI
bankersadda.com
Stand out navy blue corset top – Kostume County
kostumecounty.com
Sunil Gavaskar urged BCCI to restrict Salary for uncapped players to ...
bhaskarenglish.in
New 75 Rupees Coin: Features, Price, Image, When, Where and How to Buy?
jagranjosh.com
Toggle navigation
episteme10.hbcse.tifr.res.in
logo_1200_x_628_px.jpg?v=1720118200
artrise.in
India and Malaysia can now trade in Indian rupee
currentaffairs.adda247.com
Did You Know About India's Rs 10,000 Rupee Note
indiatimes.com
Rupee Depreciation: Will India's Exports Stand To Gain? | Investing.com ...
in.investing.com
RS 2000 Note Exchange: बैंक जाने की झंझट खत्म...अब घर बैठे ऑनलाइन बदलें ...
ndtv.in
DGCIS
ftddp.dgciskol.gov.in
RBI Pushing Printing Presses To Work 24/7 To Print ₹500 Notes To ...
indiatimes.com
Related Searches
Exor Using CMOS
Exor plc EX705
Exor HMI
Program CX P Exor
Search
×
Search
Loading...
No suggestions found