Find Your Style
Women
Men
Accessories
Search for clothing, brands, styles...
×
Women
Men
Accessories
Zim Matrix Manager
Search
Loading...
No suggestions found
MAX20092 12-Switch Matrix Manager IC - ADI | Mouser
mouser.in
Power Architecture [Analog Devices Wiki]
wiki.analog.com
matrix.manager — Teletype
teletype.in
ZIM Integrated Shipping Services Office Photos | Glassdoor
glassdoor.co.in
Documentation | Power Tree Designer| eDesignSuite | STMicroelectronics
eds.st.com
Documentation | Power Tree Designer| eDesignSuite | STMicroelectronics
eds.st.com
Skills Matrix Template – ITSM Docs - ITSM Documents & Templates
itsm-docs.com
Cronus Zen Controller Emulator for Xbox, Playstation, Nintendo and PC ...
amazon.in
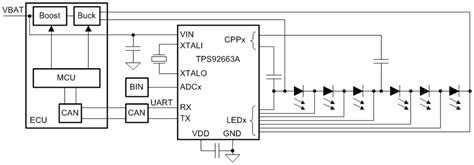
TPS92663A-Q1 High-Brightness LED Matrix Manager - TI | Mouser
mouser.in
MAX25608 12-Switch LED Matrix Manager - ADI | Mouser
mouser.in
TPS92662A-Q1 LED Matrix Manager - TI | Mouser
mouser.in
Hardware system for managing meeting rooms - TrueConf Coordinator
trueconf.in
TPS92662A-Q1 LED Matrix Manager - TI | Mouser
mouser.in
Planung und Kalkulation: Der KTBL-Feldarbeitsrechner | agrarheute.com
agrarheute.com
TPS92665 LED Matrix Manager - TI | Mouser
mouser.in
Matrix Management Reinvented: Book 2 – The 7 Shifts Needed to Be a ...
amazon.in
TPS92663A-Q1 High-Brightness LED Matrix Manager - TI | Mouser
mouser.in
TPS92665 LED Matrix Manager - TI | Mouser
mouser.in
ZIM Integrated Shipping Services Office Photos
glassdoor.co.in
Employee Training Plan Template – ITSM Docs - ITSM Documents & Templates
itsm-docs.com
TPS92667-Q1 Automotive LED Matrix Manager - TI | DigiKey
digikey.in
TPS92667-Q1 Automotive LED Matrix Manager - TI | Mouser
mouser.in
TPS92664-Q1 16-Channel LED Matrix Manager - TI | Mouser
mouser.in
Buy Transformational Human Resources Management in Zimbabwe: Solutions ...
amazon.in
Buy Transformational Human Resources Management in Zimbabwe Book Online ...
amazon.in
Organization Structure of Project Management
itechgurus.org
Matrix ComSec, Matrix Telecom Solutions, Telecom Security, Telecom ...
digitalterminal.in
Matrix Management Skills and Techniques : Amazon.in: Books
amazon.in
Organization Structure of Project Management
itechgurus.org
Buy Project/Matrix Management Policy and Strategy: Cases and Situations ...
amazon.in
2077194 - Document Transfer Options - Performance Management
userapps.support.sap.com
Solid Waste Management in Zimbabwe : Whitehead Zikhali: Amazon.in: Books
amazon.in
Customer Relationship Management and Profitability in Zimbabwe: The ...
amazon.in
Buy Matrix Management Systems Handbook Book Online at Low Prices in ...
amazon.in
Matrix Absence Management Employee Reviews | Glassdoor
glassdoor.co.in
Pakistan tour of Zimbabwe 2011: Intikhab Alam replaced as Pakistan ...
espncricinfo.com
Former Zimbabwe spinner and team manager Meman dies at 73 - ESPN
espn.in
Hi Guys, Can anyone please guide me the exit process for TCS ?? It ...
glassdoor.co.in
Time Management Matrix | Twinkl
twinkl.co.in
Nyanga Tourism (2023): Best of Nyanga, Zimbabwe - Tripadvisor
tripadvisor.in
Buy Matrix Management: Cross-functional Approach to Organization Book ...
amazon.in
Matrix management skills and techniques 1 Edition: Buy Matrix ...
flipkart.com
Organization Structure of Project Management
itechgurus.org
Buy Matrix Management: Cross-functional Approach to Organization Book ...
amazon.in
IT-Organisationsdiagramm Leitfaden
edrawsoft.com
Avaloq named a Leader in Everest Group’s 2020 Wealth Management PEAK ...
avaloq.com
Site assessments Images - Free Download on Freepik
freepik.com
How to manage Time wisely? Tips and acronym TIME for learning the art ...
candourthoughts.in
Sustainable Waste Management Conference 2025, Avenues, Mashonaland East ...
allevents.in
Matrix Management Reinvented: Book 2 – The 7 Shifts Needed to Be a ...
amazon.in
ZIM Named Best Line in the Mexico-Latin America Trade by Electrolux ...
vesselfinder.com
RACI matrix Third Edition eBook : Blokdyk, Gerardus: Amazon.in: Kindle ...
amazon.in
Buy The New Matrix Management Book Online at Low Prices in India | The ...
amazon.in
XIM Apex Keyboard and Mouse Adapter
electroon.com
Luciano Figueroa steps down as manager of Malaysia's Johor Darul Ta'zim ...
espn.in
Senior Project Manager with 5 - 7 Year of Experience at Space Matrix in ...
foundit.in
IT-Organisationsdiagramm Leitfaden
edrawsoft.com
Skill Matrix In-Depth Guide With Templates And Examples, 46% OFF
elevate.in
Buy Competency Management: Competency Matrix and Competencies Book ...
amazon.in
Germany launches ‘Feel Good’ campaign to promote sustainable travel ...
matrix.in
Buy The New Matrix Management Book Online at Low Prices in India | The ...
amazon.in
Domestic Worker Contract Template Form - Fill Online, Printable ...
pdffiller.com
AI Product Manager with Airamatrix(AI-S/W product company) with 5 - 7 ...
foundit.in
Reinforced Cement Concrete | Reinforcement Process | Retaining Walls
civildailyinfo.com
Solid Waste Management in Zimbabwe: Buy Solid Waste Management in ...
flipkart.com
Buy Management of Village Water Supply Hand Pumps in Zimbabwe Book ...
amazon.in
Petrol Bunk Uniform & Automotive Workers Uniforms Manufacturer from Chennai
cj7uniforms.in
Matrix Management Reinvented: Book 2 – The 7 Shifts Needed to Be a ...
amazon.in
Easter Celebrations 2019 at Samuel Centenary academy, Harare
allevents.in
Hey all, I want to transfer my PF amount from HCL Trust to my current ...
glassdoor.co.in
Themba Gorimbo Stats, News, Bio | ESPN
espn.in
Exide Matrix 4 Wheeler Battery Dealer in Pune, Exide Matrix 4 Wheeler ...
bizzporto.com
Transmission Line Tower Manufacturer, Supplier from Kolhapur
matrixgrating.co.in
Our Clients - Matrix Grating Pvt. Ltd. from Kolhapur Maharashtra India
matrixgrating.co.in
Our Clients - Matrix Grating Pvt. Ltd. from Kolhapur Maharashtra India
matrixgrating.co.in
Our Clients - Matrix Grating Pvt. Ltd. from Kolhapur Maharashtra India
matrixgrating.co.in
Our Clients - Matrix Grating Pvt. Ltd. from Kolhapur Maharashtra India
matrixgrating.co.in
Our Clients - Matrix Grating Pvt. Ltd. from Kolhapur Maharashtra India
matrixgrating.co.in
Children School Prayagraj
childrenschool.in
Related Searches
Invader Zim Human
Invader Zim Art
Invader Zim and Gaz
Invader Zim Fart
Xim Matrix R6
Invader Zim PNG
ZIM vs Dib
Invader Zim Farting
Invader Zim Vector
Xim Matrix On Desk
Invader Zim VHS
Invader Zim Characters
Zim Matrix Adapter
Zim Matrix with Flipper
Invader Zim Symbol
Invader Zim Umbrella
Xim Matrix On a Xbox
Gir Invader
Cosmo and Zim
Inside of Xim Matrix
Invader Zim Dib Glasses
Xim Matrix in Hand
Sample Board Skills Matrix
Xim Matrix Broken
Zim Matrix with O Flipper
Zion Matrix
Xim Matrix Lights
Xim Green Thing
Keyboard and Mouse for Zim Matrix Xbox
Star Wars Zim
Zim's Base
Guy Holding Xim Matrix
Educational Skills Matrix Structure
Accounts Matrix Logo
Xim Matruix Seige
Dynamic Organizational Matrix
Zim Matrix Xbox Tktok Clips
Xim Matrix On PS5
Urban Capacity Matrix
Xim Matrix AimStick
Boatterns Xim Matrix
Zim Spreadsheet
Dynmaic Organizational Matrix
Xim Matrix Rocket League
Xim Matrix Siege Players
Invader Zim Irken
Zim Line Logo
Invader Zim Laughing
Xim Matrix PFP
Zim Container
Search
×
Search
Loading...
No suggestions found