Find Your Style
Women
Men
Accessories
Search for clothing, brands, styles...
×
Women
Men
Accessories
Ctrs Distance Plate
Search
Loading...
No suggestions found
Buy Meadows Melamine Small Plate - 19cm from Home Centre at just INR 299.0
homecentre.in
World’s most expensive licence plate sold for over INR 122 crore in Dubai
lifestyleasia.com
inr |Isometric Line A2 Plus Size Paper 5 mm Distance Equilateral 3D ...
amazon.in
inr |Isometric Dots A2" Plus Size Paper 5 mm Distance Equilateral 3D ...
amazon.in
Inr |Isometric Dots A4 Paper |1 Cm Distance Between Dots |Best For ...
amazon.in
Inr |Isometric Dots A4 Paper |1 Cm Distance Between Dots |Best For ...
amazon.in
Economy Square Distance Plates, E-DTPK | MISUMI | MISUMI India
in.misumi-ec.com
Master capacitors for NEET: Learn concepts, formulas, and applications.
allen.in
Hysteretic Response of Tilt-Up Concrete Precast Walls with Embedded ...
mdpi.com
Nomenclature - Glossary of Terms | Zamil Steel Buildings India
zamilsteel.co.in
Master capacitors for NEET: Learn concepts, formulas, and applications.
allen.in
E-DTPM45-20-N | Economy Round Distance Plates, E-DTPM | MISUMI | MISUMI ...
in.misumi-ec.com
Hybrid Dater Distance Plate for FS-1200T - COLOP India
colop.in
Hybrid Dater Distance Plate for FS-800 - COLOP India
colop.in
Figure shown a parallel-plate capacitor having square plates of edge a ...
allen.in
Two parallel-plate capacitors with different distances between the ...
allen.in
Distance plate | CERATIZIT | WNT | KOMET
cuttingtools.ceratizit.com
Plates of area A are arranged as shown. The distance between each plate ...
allen.in
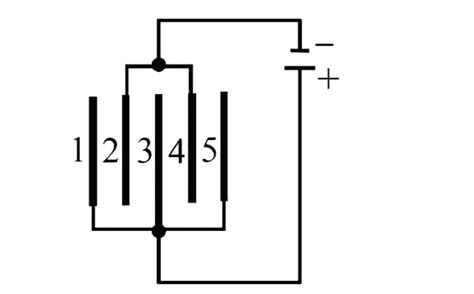
Five identical conducting plates, `1, 2,3,4` and `5` are fixed parallel ...
allen.in
E-DTPM45-20-N | Economy Round Distance Plates, E-DTPM | MISUMI | MISUMI ...
in.misumi-ec.com
Buy Tissue culture test plate, 24 wells (4 pcs) 92424 in India | Biomall
biomall.in
Plate Heat Exchanger - PHE Plate And Gasket Trader - Retailer from ...
primepowersystems.in
Two pith balls carrying equal charges are suspended from a common point ...
allen.in
A medium having dielectric constant K ` gt `1 fills the space between ...
allen.in
Personalized Name Plate Designs for your Home, Office & Main Gate ...
nutcaseshop.com
A metal slab of thickness, equal to half the distance between the ...
allen.in
Foundation layout setting anchor bolts
endeeinfra.in
Round Distance Plate Shim |Manufacture, Supplier and Exporter in India
datumtools.in
Four plates of the same area of cross-section are joined as shown in ...
allen.in
Round Distance Plate Shim |Manufacture, Supplier and Exporter in India
datumtools.in
Two parallel conducting plates of area A each,are placed at distance d ...
allen.in
Four metallic plates arearrranged as shown in the figure. If the ...
allen.in
FitLine | Dumbbells & Weight Plates – Fitline India
fitlineindia.com
Two parallel conducting plates, each of area A, are separated by a ...
allen.in
Five identical capacitor paltes, each of area A, are arranged such that ...
allen.in
The distance between two parallel plates of a capacitor is a. A ...
edurev.in
Distance Rod & Base Plate | Gravity
gravitystands.com
Four parallel large plates separated by equal distance d are arranged ...
allen.in
The distance between the plates of a parallet between the plates and an ...
brainly.in
plate free delivery, no minimum order | MISUMI India
in.misumi-ec.com
Two circles touch externally. The sum of their areas is 130sq cm and ...
brainly.in
Two circles with centres O and O’ of radii 6 cm and 8 cm, respectively ...
brainly.in
Four parallel large plates separated by equal distance d are arranged ...
allen.in
Diecutsmart – diecutsmart
diecutsmart.com
Two plates of parallel plates capacitor are charge plate +2Q and -Q ...
bhushantech.in
The distance between charged parallel plates is `d`. An electron ...
allen.in
FitLine | Dumbbells & Weight Plates – Fitline India
fitlineindia.com
shim plate free delivery, no minimum order | MISUMI India
in.misumi-ec.com
`A, B, C, D, E,` and `F` are conducting plates each of area `A`, and ...
allen.in
Medination
medination.co.in
Two parallel glass plates are dipped partly in the liquid of denstiy 'd ...
allen.in
Two parallel plate capacitors X and Y have the same area of plates and ...
allen.in
Distance Rod & Base Plate | Gravity
gravitystands.com
Two infinitely long parallel conducting plates having surface charge ...
allen.in
When the space between the plates of a parallel plate condenser is ...
allen.in
The graph representing the variation of induced magnetic field in the ...
allen.in
Five identical capacitor plates, each of area A, are arranged such that ...
allen.in
Centers For Disease Control And Prevention: 3 Held For Theft Of Metro ...
timesofindia.indiatimes.com
A parallel plate capacitor has two layers of dielectric as shown in ...
allen.in
Two thin dielectric slabs of dielectric constants `K_(1)` and `K_(2) (K ...
allen.in
As shown in (Fig. 3.90), two large parallel vertical conducting plates ...
allen.in
Construction
thenauticalsite.in
Norton Distance Piece between Plates | BRITISH Only Austria ...
vintage-motorcycle.com
Two spherical , nonconducting and very tin shells of uniformly ...
allen.in
plate free delivery, no minimum order | MISUMI India
in.misumi-ec.com
A paallel plate capacitor with air as a dielectric is arranged ...
allen.in
RELIABILITY OF EXPOSED COLUMN-BASE PLATE CONNECTION IN, 60% OFF
iiitl.ac.in
BRANDplates® microtitration plate, 96-well, immunoGrade™, PS, BIO-CERT ...
shop.brand.co.in
A thin plate of large area is placed midway in a gap of height `h ...
allen.in
Two large identical plates are placed in front of each other at `x = d ...
allen.in
Identical metal plates are located in air at equal distance d from one ...
allen.in
BRANDplates® microtitration plate, 1536-well, pureGrade™, PS, BIO-CERT ...
shop.brand.co.in
One plate of a capacitor is fixed, and the other is connected to a ...
allen.in
Welcome to HITECH Ruber Industries
hitechrubber.in
A parallel plate capacitor has plates of area A separated by distance ...
allen.in
BSA A10 Engine Plate Distance Collar/Set | BRITISH Only Austria ...
vintage-motorcycle.com
Round Distance Plates | MISUMI | MISUMI India
in.misumi-ec.com
Four metallic plates each of surface area A and separated from one ...
allen.in
BRANDplates® microtitration plate, 96-well, cellGrade™ premium, PS, F ...
shop.brand.co.in
Buy CNCEST 3000w Step Up and Down Electrical Power Voltage Converter ...
ubuy.co.in
Two plates, each of area A, are placed parallel to each other at a ...
allen.in
A dielectric slab of area `A` and thickness `d` is inserted between ...
allen.in
In the figure shown the plates of a parallel plate capacitor have ...
allen.in
Google SERP CTRs in 2024 | Impact on SEO & Click-Through Rates
adlift.com
Each of two large conducting parallel plates hasone sided surface area ...
brainly.in
. Two circles of radii 10 cm and 8 cm intersect each other, and the ...
brainly.in
Norton Distance Piece between Plates | BRITISH Only Austria ...
vintage-motorcycle.com
The best home workout equipment for 2023
lifestyleasia.com
If two glass plates have water between them and are separated by very ...
allen.in
Two charged plates `A` and `B` are at the same electrical potential ...
allen.in
Consider 1 m long section of two long parallel cylinders. They have 20 ...
edurev.in
The lower plate of a parallel plate capacitor is supported on a rigid ...
allen.in
A solid sphere of mass `m` radius `r` is placed inside a hollow thin ...
allen.in
Altitude of Triangle: Definition, Properties, Characteristics of Altitude.
allen.in
BSA A10 Engine Plate Distance Collar/Set | BRITISH Only Austria ...
vintage-motorcycle.com
Satkar Rice Plate House | LBB
lbb.in
Anchor Bolt Tolerances How To Position Align And Secure, 42% OFF
elevate.in
BRANDplates® microtitration plate, 96-well, pureGrade™ S, PS, BIO-CERT ...
shop.brand.co.in
One plate of a parallel plate capacitor is tilted by a small angle ...
allen.in
Solved: The force of attraction, F Newtons, between two magnets is ...
gauthmath.com
Atal Incubation Centre - BIMTECH - Coworking Space and Shared Office ...
myhq.in
Norton Distance Piece between Plates | BRITISH Only Austria ...
vintage-motorcycle.com
Two thin dielectric slabs of dielectric constants `K_(1)` and `K_(2) (K ...
allen.in
Two large identical plates are placed in front of each other at x =d ...
allen.in
Economy Square Distance Plates, E-DTPK | MISUMI | MISUMI India
in.misumi-ec.com
Buy Set of 2 Blue and Pink Maisie Floral Print Scallop Edge Side Plates ...
nextdirect.com
electric field strength at a point between oppositely charged plates is ...
brainly.in
The business center in Uppal Notified Industrial Area
matchoffice.in
Illumination Scrolling Display Board -Spectra Sign Systems, Bengaluru
spectrasignsystems.co.in
96-Well strip plate (12 x F8), PS, pureGrade™, medium binding ...
shop.brand.co.in
Six identical metal plates are arranged as shown in the figure. Each ...
allen.in
CENTER HOTELS PLAZA (Reykjavik) - Hotel Reviews, Photos, Rate ...
tripadvisor.in
Two thin dielectric slabs of dielectric constants `K_(1)` and `K_(2) (K ...
allen.in
Enrolled Agent Exam Centers in India: Complete Guide – Eduyush
eduyush.com
Two parallel plate capacitors X and Y have the same area of plates and ...
ask.learncbse.in
The plates of small size of a parallel plate capacitor are charged as ...
allen.in
Two parallel conducting plates of a capacitor of capacitance C ...
allen.in
Two identical smooth disc of radius R have been placed on a ...
allen.in
Kuvempu university Faculty
kuvempu.ac.in
Coworking space in Gurgaon
matchoffice.in
Related Searches
Distance Plate Hydraulic
Round Distance Plate
Distance Plate for Measurement
Supplementary Distance Plate
Tyrolite Distance Plate
Third Base Plate
Distance Nomograph Plate
55Mm Distance Plate Pipe
Distance Protection Plate
Signal Sighting Distance Plate
Probity Distance Plate for a Dobbie
Varying Distance Plate Design
Gear Box Distance Plate
Offset Distance Plate
Acrylic Plate with Distance
Tyrolit Modular Distance Plate
Baseball Pitching Mound Dimensions
Probity Distance Plate for a Rapier Loom
Ctrs Distance Plate
Edge Distance Plate Tool
Round Distance Plate Misumi
Distance Plate for Fiat Bogie
Plate Edge Distance M20
Distance Piece and Adapter Plate
Plaque De Distance
Pipe Distance Plates
Vice Distance Plates
Figer Showe in Edge Distance in Plate
Universal Plate with Distance Ring Janser
Distance Plate Spacer for Capstan Drive Motor Pulley
ABB Danger Plate
Triptronic Plates
Measurement Distance Plate
Lever Arm Distance Base Plate
Center of Bold Distance Edge of Plate
Steel Bolt Distance Plate
Gauge Distance in Plate
Rife Distant Plates
4X100 Distance Plate 20Mm
Distance Plate $50 for Shear Plate
Techtonic Plants
6024003 Distance Plate Daikin
Sliding a Metal Plate and Meauring Distance
Horse Distance Plates
What Does a Reso Plate to Measure Distance Look Like
F616807 Shim Floating Top Knife Distance Plate
RDT Plates
ABB Da-1B Distance Plate Installation
Carbon Plate Shoes
Distance Wheel Plate
Search
×
Search
Loading...
No suggestions found